Radio Cassette 3104
Königer (marca), Intravest; Barcelona
- Paese
- Spagna
- Produttore / Marca
- Königer (marca), Intravest; Barcelona
- Anno
- 1970 ??
- Categoria
- Radio (o sintonizzatore del dopoguerra WW2)
- Radiomuseum.org ID
- 300975
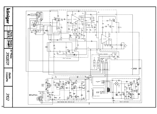
Clicca sulla miniatura dello schema per richiederlo come documento gratuito.
- Numero di transistor
- 24
- Principio generale
- Supereterodina (in generale); ZF/IF 455 kHz
- Gamme d'onda
- Onde medie (OM) e onde lunghe (OL).
- Particolarità
- Registratore o riprod a cassett
- Tensioni di funzionamento
- Rete / Batterie (ogni tipo) / 125; 220 / 6 x 1,5 / 12 Volt
- Altoparlante
- AP magnetodinamico (magnete permanente e bobina mobile)
- Potenza d'uscita
- 0.6 W (indistorta)
- Materiali
- Plastica (non bachelite o catalina)
- Radiomuseum.org
- Modello: Radio Cassette 3104 - Königer marca, Intravest;
- Dimensioni (LxAxP)
- 325 x 200 x 80 mm / 12.8 x 7.9 x 3.1 inch
- Annotazioni
-
Listado un único semiconductor por tipo
- Letteratura / Schemi (1)
- -- Original-techn. papers.
- Autore
- Modello inviato da Miguel Bravo-Cos. Utilizzare "Proponi modifica" per inviare ulteriori dati.
- Altri modelli
-
In questo link sono elencati 41 modelli, di cui 41 con immagini e 6 con schemi.
Elenco delle radio e altri apparecchi della Königer (marca), Intravest; Barcelona