Dublette ID = 2542
Körting-Radio; Leipzig, später Grassau
- Hersteller / Marke
- Körting-Radio; Leipzig, später Grassau
- Jahr
- 9999/9999
- Kategorie
- Rundfunkempfänger (Radio - oder Tuner nach WW2)
- Radiomuseum.org ID
- 26414
-
- anderer Name: Dietz & Ritter GmbH, Dr.
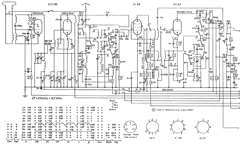
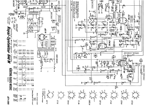
Klicken Sie auf den Schaltplanausschnitt, um diesen kostenlos als Dokument anzufordern.
- Hauptprinzip
- Super mit HF-Vorstufe; ZF/IF 472/10700 kHz
- Anzahl Kreise
- 11 Kreis(e) AM 13 Kreis(e) FM
- Wellenbereiche
- Langwelle, Mittelwelle, zwei mal Kurzwelle und UKW (FM).
- Betriebsart / Volt
- Wechselstromspeisung / 110; 127; 220; 240 Volt
- Lautsprecher
- 5 Lautsprecher
- Material
- Gerät mit Holzgehäuse
Die GFGF Zeitschrift Funkgeschichte bringt interessante Artikel zu Radios, Funkwesen und Medien. Bei Radiomuseum.org finden Sie die vollständigen Hefte früherer Ausgaben als PDF zum Download.
- von Radiomuseum.org
- Modell: Dublette ID = 2542 - Körting-Radio; Leipzig, später
- Form
- Tischgerät, Tasten oder Druckknöpfe.
- Abmessungen (BHT)
- 690 x 450 x 340 mm / 27.2 x 17.7 x 13.4 inch
- Bemerkung
-
.
- Nettogewicht
- 21 kg / 46 lb 4.1 oz (46.256 lb)
- Datenherkunft
- -- Original-techn. papers.
- Weitere Modelle
-
Hier finden Sie 822 Modelle, davon 675 mit Bildern und 473 mit Schaltbildern.
Alle gelisteten Radios usw. von Körting-Radio; Leipzig, später Grassau