T-772 AM-FM (TR-772 AM-FM) ET-51
Lavis S.A., Labelson; Barcelona
- Pays
- Espagne
- Fabricant / Marque
- Lavis S.A., Labelson; Barcelona
- Année
- 1967 ?
- Catégorie
- Radio - ou tuner d'après la guerre 1939-45
- Radiomuseum.org ID
- 362239
Cliquez sur la vignette du schéma pour le demander en tant que document gratuit.
- No. de transistors
- 9
- Principe général
- Super hétérodyne (en général); 3 Etage(s) BF
- Gammes d'ondes
- PO, OC et FM
- Tension / type courant
- Batteries / Alim. BT séparée avec fiche / 4 x 1,5 / 6 Volt
- Haut-parleur
- HP dynamique à aimant permanent + bobine mobile
- Puissance de sortie
- 0.6 W (sans distorsion)
- Matière
- Plastique moderne (pas de bakélite, ni de catalin)
- De Radiomuseum.org
- Modèle: T-772 AM-FM ET-51 - Lavis S.A., Labelson;
- Forme
- Portative > 20 cm (sans nécessité secteur)
- Remarques
-
Lavis, S.A., (Labelson), Receptor T-772 AM-FM (TR-772 AM-FM) ET-51
Véase también
- Lavis T-772 AM-FM (TR-772 AM-FM) ET-51B con AC188
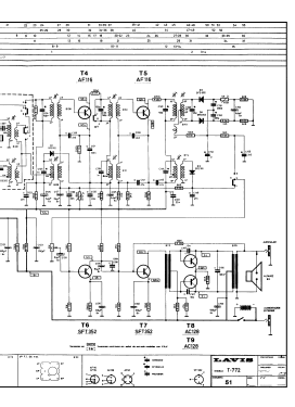
- Schémathèque (1)
- -- Schematic
- Auteur
- Modèle crée par Miguel Bravo-Cos. Voir les propositions de modification pour les contributeurs supplémentaires.
- D'autres Modèles
-
Vous pourrez trouver sous ce lien 154 modèles d'appareils, 138 avec des images et 72 avec des schémas.
Tous les appareils de Lavis S.A., Labelson; Barcelona