T-922 AM (TR-922) ET-91A
Lavis S.A., Labelson; Barcelona
- País
- España
- Fabricante / Marca
- Lavis S.A., Labelson; Barcelona
- Año
- 1971
- Categoría
- Radio - o Sintonizador pasado WW2
- Radiomuseum.org ID
- 260171
Haga clic en la miniatura esquemática para solicitarlo como documento gratuito.
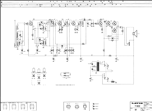
- Numero de transistores
- 7
- Principio principal
- Superheterodino en general; 3 Etapas de AF
- Número de circuitos sintonía
- 5 Circuíto(s) AM
- Gama de ondas
- OM y OC
- Tensión de funcionamiento
- Red / Baterías o pilas / 125; 220 /D: 4 x 1,5 Volt
- Altavoz
- Altavoz dinámico (de imán permanente)
- de Radiomuseum.org
- Modelo: T-922 AM ET-91A - Lavis S.A., Labelson;
- Anotaciones
-
Lavis, S.A., (Labelson), Receptor TR-922 AM (T-922)
Three designations are known for Lavis model:
922 AM (dial), TR-922 (prospecto, catálogo), T-922 (sch).
- Mencionado en
- -- Schematic (Catálogo Lavis años 70 (marrón))
- Autor
- Modelo creado por Miguel Bravo-Cos. Ver en "Modificar Ficha" los participantes posteriores.
- Otros modelos
-
Donde encontrará 154 modelos, 138 con imágenes y 72 con esquemas.
Ir al listado general de Lavis S.A., Labelson; Barcelona
Colecciones
El modelo T-922 AM (TR-922) ET-91A es parte de las colecciones de los siguientes miembros.