Oscilloscope 20MHz (Stereoscope) LBO-522
Leader Electronics Corp.; Yokohama
- Country
- Japan
- Manufacturer / Brand
- Leader Electronics Corp.; Yokohama
- Year
- 1984–1986
- Category
- Service- or Lab Equipment
- Radiomuseum.org ID
- 162274
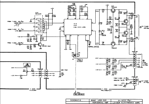
Click on the schematic thumbnail to request the schematic as a free document.
- Number of Transistors
- Semiconductors present.
- Semiconductors
- Wave bands
- - without
- Power type and voltage
- Alternating Current supply (AC) / 110; 120; 220; 240 Volt
- Loudspeaker
- - - No sound reproduction output.
- Material
- Metal case
- from Radiomuseum.org
- Model: Oscilloscope 20MHz LBO-522 - Leader Electronics Corp.;
- Shape
- Tablemodel, with any shape - general.
- Dimensions (WHD)
- 290 x 160 x 375 mm / 11.4 x 6.3 x 14.8 inch
- Notes
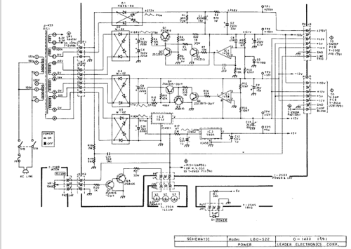
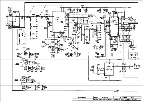
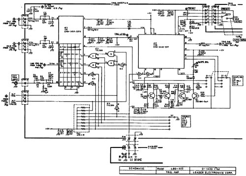
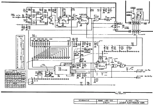
- Dual channel Oscilloscope with 6 inches square CRT. 
 Bandwidth: 20 MHz Sensitivity at 20MHz: 5 mV/div Sensitivity at 5MHz: 0.5 mV/div Maximum swept: 40 ns/div (Mag X 5) Modes: ADD / CHOP / ALT Triggers: Normal, Automatic, TV-V and TV-H, External, with Holdoff Other features: Inverse CH2, Z-axis
- Net weight (2.2 lb = 1 kg)
- 8.5 kg / 18 lb 11.6 oz (18.722 lb)
- Price in first year of sale
- 1,533.00 DM
- Source of data
- - - Manufacturers Literature
- Mentioned in
- Katalog Mütron 1984
- Literature/Schematics (1)
- Funkschau (9/1986, S. 45, 47 /Test)
- Author
- Model page created by Javier Albinarrate. See "Data change" for further contributors.
- Other Models
- 
        Here you find 123 models, 116 with images and 75 with schematics for wireless sets etc. In French: TSF for Télégraphie sans fil. 
 All listed radios etc. from Leader Electronics Corp.; Yokohama
Collections
The model Oscilloscope 20MHz (Stereoscope) is part of the collections of the following members.
Forum contributions about this model: Leader Electronics: Oscilloscope 20MHz LBO-522
Threads: 1 | Posts: 2
Per Zufall binn ich auf dieses Modell gekommen, Die Bilder zeigen eine PA aus dem Mobilbereich die da wohl nicht hingehören !
mfG
Fischer
Karlheinz Fischer, 07.Nov.10
 
                
                
                
                
                
                
                
                
                
                
                
                
                
                
                
                
                
                
                
               