Oscilloscope LBO-523
Leader Electronics Corp.; Yokohama
- País
- Japon
- Fabricante / Marca
- Leader Electronics Corp.; Yokohama
- Año
- 1984 ?
- Categoría
- Aparato de medida y servicio (Equipo de laboratorio).
- Radiomuseum.org ID
- 162275
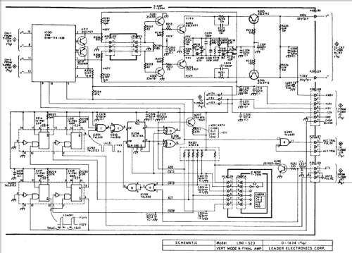
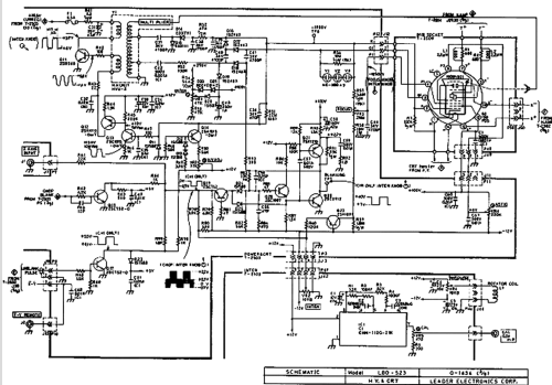
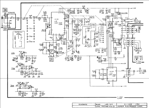
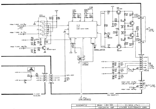
Haga clic en la miniatura esquemática para solicitarlo como documento gratuito.
- Numero de transistores
- Hay semiconductores.
- Semiconductores
- Tensión de funcionamiento
- Red: Corriente alterna (CA, Inglés = AC) / 110; 120; 220; 240 Volt
- Material
- Metálico
- de Radiomuseum.org
- Modelo: Oscilloscope LBO-523 - Leader Electronics Corp.;
- Forma
- Sobremesa de cualquier forma, detalles no conocidos.
- Ancho, altura, profundidad
- 290 x 160 x 375 mm / 11.4 x 6.3 x 14.8 inch
- Anotaciones
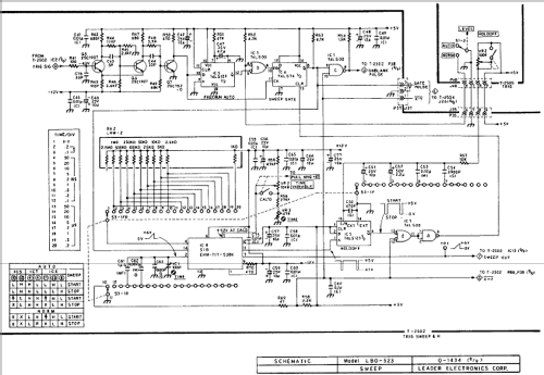
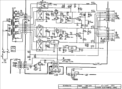
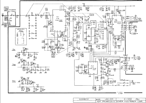
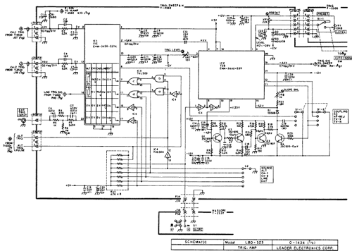
- Dual channel Oscilloscope with 6 inches square CRT.
Bandwidth: 30 MHz Sensitivity at 20MHz: 5 mV/div Sensitivity at 5MHz: 0.5 mV/div Maximum swept: 20 ns/div (Mag X 10) Modes: ADD CHOP ALT Triggers: Normal, Automatic, TV-V and TV-H, External, with Holdoff Other features: Inverse CH2, Z-axis
- Peso neto
- 8.5 kg / 18 lb 11.6 oz (18.722 lb)
- Precio durante el primer año
- 1,933.00 DM
- Procedencia de los datos
- - - Manufacturers Literature
- Mencionado en
- Katalog Mütron 1984
- Autor
- Modelo creado por Javier Albinarrate. Ver en "Modificar Ficha" los participantes posteriores.
- Otros modelos
-
Donde encontrará 123 modelos, 116 con imágenes y 75 con esquemas.
Ir al listado general de Leader Electronics Corp.; Yokohama