- Pays
- Etats-Unis
- Fabricant / Marque
- Lear Inc.; Grand Rapids and Los Angeles
- Année
- 1946
- Catégorie
- Radio - ou tuner d'après la guerre 1939-45
- Radiomuseum.org ID
- 46134
Cliquez sur la vignette du schéma pour le demander en tant que document gratuit.
- No. de tubes
- 6
- Principe général
- Super hétérodyne avec étage HF; FI/IF 455 kHz; 2 Etage(s) BF
- Circuits accordés
- 6 Circuits MA (AM)
- Gammes d'ondes
- PO uniquement
- Tension / type courant
- Appareil tous courants (CA / CC) / 117 Volt
- Haut-parleur
- HP dynamique à aimant permanent + bobine mobile / Ø 5 inch = 12.7 cm
- Matière
- Plastique moderne (pas de bakélite, ni de catalin)
- De Radiomuseum.org
- Modèle: 6619 - Lear Inc.; Grand Rapids and
- Forme
- Modèle de table générique
- Source extérieure
- Ernst Erb
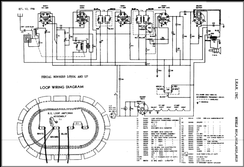
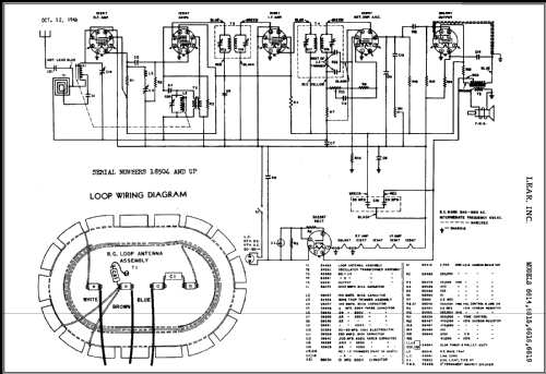
- Source du schéma
- Rider's Perpetual, Volume 15 = 1947 and before
- Schémathèque (1)
- Photofact Folder, Howard W. SAMS (Set 3, Folder 463-18)
- D'autres Modèles
-
Vous pourrez trouver sous ce lien 46 modèles d'appareils, 27 avec des images et 40 avec des schémas.
Tous les appareils de Lear Inc.; Grand Rapids and Los Angeles