- Hersteller / Marke
- Lembeck & Co.(Lembeck-Radio)
- Jahr
- 1950/1951
- Kategorie
- Vorsatzgerät (Adapter für KW/UKW/VHF/UHF inkl. Einbaugerät), Konverter
- Radiomuseum.org ID
- 15773
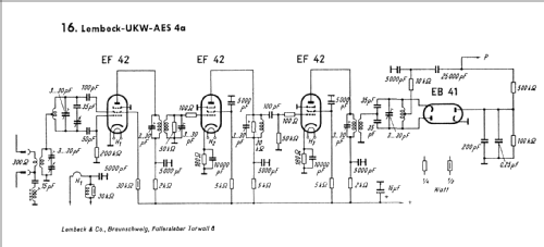
Klicken Sie auf den Schaltplanausschnitt, um diesen kostenlos als Dokument anzufordern.
- Anzahl Röhren
- 4
- Wellenbereiche
- UKW-Gerät bzw. FM (keine weiteren Bänder).
- Betriebsart / Volt
- Externes Speisegerät / Netzgerät / Hauptgerät
- Lautsprecher
- - Für Kopfhörer oder NF-Verstärker
- Material
- Metallausführung
Die GFGF Zeitschrift Funkgeschichte bringt interessante Artikel zu Radios, Funkwesen und Medien. Bei Radiomuseum.org finden Sie die vollständigen Hefte früherer Ausgaben als PDF zum Download.
- von Radiomuseum.org
- Modell: AES4a - Lembeck & Co.Lembeck-Radio
- Bemerkung
- UKW-Einbaugerät; 2 Mod??
- Originalpreis
- 85.00 DM
- Datenherkunft extern
- E. Erb 3-907007-36-0
- Datenherkunft
- Radiokatalog Band 2, Ernst Erb
- Schaltungsnachweis
- Hermann Rottmann und Fred P. Langheinrich hatten mir dieses Gerät erstmals bekannt gemacht. Sie verfügen jedoch nicht über Schaltungen darüber oder weitere Informationen, sondern haben mir bei der Recherche geholfen. Danke.
- Literaturnachweis
- Funkschau (5108)
- Weitere Modelle
-
Hier finden Sie 71 Modelle, davon 46 mit Bildern und 23 mit Schaltbildern.
Alle gelisteten Radios usw. von Lembeck & Co.(Lembeck-Radio)