Solid State Stereo Integrated Amplifier SQ-707
Luxman, Lux Corp.; Kinsuido of Osaka
- Country
- Japan
- Manufacturer / Brand
- Luxman, Lux Corp.; Kinsuido of Osaka
- Year
- 1969–1975 ?
- Category
- Audio Amplifier or -mixer
- Radiomuseum.org ID
- 148291
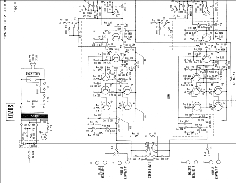
Click on the schematic thumbnail to request the schematic as a free document.
- Number of Transistors
- 20
- Main principle
- Audio-Amplification
- Wave bands
- - without
- Power type and voltage
- Alternating Current supply (AC) / 220 Volt
- Loudspeaker
- - This model requires external speaker(s).
- Power out
- 40 W (undistorted)
- Material
- Wooden case
- from Radiomuseum.org
- Model: Solid State Stereo Integrated Amplifier SQ-707 - Luxman, Lux Corp.; Kinsuido of
- Shape
- Book-shelf unit.
- Dimensions (WHD)
- 375 x 125 x 227 mm / 14.8 x 4.9 x 8.9 inch
- Notes
-
Integrierter HiFi-Vollverstärker mit 2 x 20 Watt Sinus an 4 Ohm. Ausgang direkt gekoppelt.
20 Si-Transistoren, 2 Si-Varistoren, 1Si-Diode, 1 Gleichrichter.Volume control without Loudness compensation; amp has 'bass/treble intense' switches instead.
- Source of data
- -- Original prospect or advert
- Literature/Schematics (1)
- -- Schematic
- Author
- Model page created by Franz Scharner. See "Data change" for further contributors.
- Other Models
-
Here you find 214 models, 207 with images and 40 with schematics for wireless sets etc. In French: TSF for Télégraphie sans fil.
All listed radios etc. from Luxman, Lux Corp.; Kinsuido of Osaka
Collections
The model Solid State Stereo Integrated Amplifier is part of the collections of the following members.