- Country
- United States of America (USA)
- Manufacturer / Brand
- Magnavox Co., Commercial Wireless and Development Co.; San Francisco, later Fort Waye, IN
- Year
- 1949 ?
- Category
- Audio Amplifier or -mixer
- Radiomuseum.org ID
- 227868
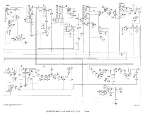
Click on the schematic thumbnail to request the schematic as a free document.
- Number of Tubes
- 6
- Main principle
- Audio-Amplification
- Wave bands
- - without
- Power type and voltage
- Alternating Current supply (AC) / 110-120 Volt
- Loudspeaker
- - This model requires external speaker(s).
- Material
- Metal case
- from Radiomuseum.org
- Model: AMP-111B - Magnavox Co., Commercial
- Shape
- Chassis only or for «building in»
- Notes
-
AC Operated Amplifier Chassis added to 2 Band AM-FM Tuner Chassis CR-211A and B
- Mentioned in
- Photofact Folder, Howard W. SAMS (Vol. 8/49 4916-10 Set#68 Folder 10)
- Author
- Model page created by Friedrich Weber † 12.09.2014. See "Data change" for further contributors.
- Other Models
-
Here you find 1082 models, 499 with images and 832 with schematics for wireless sets etc. In French: TSF for Télégraphie sans fil.
All listed radios etc. from Magnavox Co., Commercial Wireless and Development Co.; San Francisco, later Fort Waye, IN