- País
- Estados Unidos
- Fabricante / Marca
- Magnavox Co., Commercial Wireless and Development Co.; San Francisco, later Fort Waye, IN
- Año
- 1959
- Categoría
- Radio - o Sintonizador pasado WW2
- Radiomuseum.org ID
- 166100
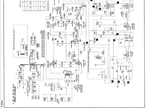
Haga clic en la miniatura esquemática para solicitarlo como documento gratuito.
- Numero de valvulas
- 11
- Principio principal
- Superheterodino con paso previo de RF; ZF/IF 455/10700 kHz
- Gama de ondas
- OM y FM
- Especialidades
- Tocadiscos con cambiador autom.
- Tensión de funcionamiento
- Red: Corriente alterna (CA, Inglés = AC) / 110 - 120 Volt
- Altavoz
- 4 Altavoces
- Material
- Madera
- de Radiomuseum.org
- Modelo: Ch= 51-02 - Magnavox Co., Commercial
- Forma
- Consola en general
- Anotaciones
- The Magnavox Chassis Ch= 51-02 is an AC operated 11 Tube AM-FM Tuner and Amplifier with 4 Speed Automatic Record Changer.
- Documentación / Esquemas (1)
- Photofact Folder, Howard W. SAMS (Date 5-59, Set 441, Folder 9)
- Autor
- Modelo creado por Egon Penker. Ver en "Modificar Ficha" los participantes posteriores.
- Otros modelos
-
Donde encontrará 1082 modelos, 499 con imágenes y 832 con esquemas.
Ir al listado general de Magnavox Co., Commercial Wireless and Development Co.; San Francisco, later Fort Waye, IN