Ch= CMUA475BB 600 series
Magnavox Co., Commercial Wireless and Development Co.; San Francisco, later Fort Waye, IN
- País
- Estados Unidos
- Fabricante / Marca
- Magnavox Co., Commercial Wireless and Development Co.; San Francisco, later Fort Waye, IN
- Año
- 1956 ?
- Categoría
- Televisión (TV) o monitor
- Radiomuseum.org ID
- 263601
Haga clic en la miniatura esquemática para solicitarlo como documento gratuito.
- Numero de valvulas
- 20
- Válvulas
- 6BC8 6U8 6BZ6 6BZ6 6CB6 6AU6 6AU6 6AU6 6T8 6W6GT 12AU7 6SN7GTB 6S4A 6AL5 6SN7GTB 6DQ6 6AX4GT 1B3GT 5U4G 21ATP4
- Principio principal
- Superheterodino con paso previo de RF
- Gama de ondas
- VHF/UHF (see notes for details)
- Tensión de funcionamiento
- Red: Corriente alterna (CA, Inglés = AC) / 110-120 Volt
- Material
- Madera
- de Radiomuseum.org
- Modelo: Ch= CMUA475BB 600 series - Magnavox Co., Commercial
- Forma
- Consola en general
- Anotaciones
-
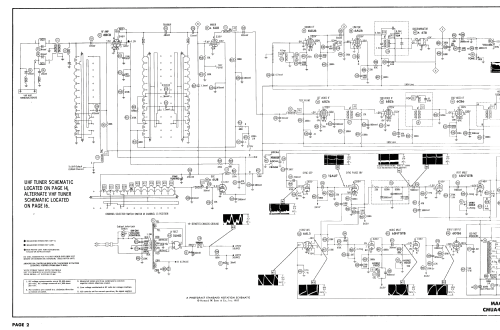
The Magnavox Chassis CMUA475BB 600 series is a 21" b/w TV with US standard VHF Tuner channels 2 thru 13, 14 thru 83 UHF.This chassis is equipped with a picture tube 21ATP4.
- Documentación / Esquemas (1)
- Photofact Folder, Howard W. SAMS (Set 344 Folder 8 date 1 - 57)
- Autor
- Modelo creado por Dirk Taekels. Ver en "Modificar Ficha" los participantes posteriores.
- Otros modelos
-
Donde encontrará 1082 modelos, 499 con imágenes y 832 con esquemas.
Ir al listado general de Magnavox Co., Commercial Wireless and Development Co.; San Francisco, later Fort Waye, IN