Ch= CMUE493AA 117 Series
Magnavox Co., Commercial Wireless and Development Co.; San Francisco, later Fort Waye, IN
- Country
- United States of America (USA)
- Manufacturer / Brand
- Magnavox Co., Commercial Wireless and Development Co.; San Francisco, later Fort Waye, IN
- Year
- 1956 ?
- Category
- Television Receiver (TV) or Monitor
- Radiomuseum.org ID
- 261673
Click on the schematic thumbnail to request the schematic as a free document.
- Number of Tubes
- 21
- Valves / Tubes
- 6AF4A 6BC8 6U8 6BZ6 6BZ6 6CB6 6AW8 6AN8 6AU6 6AU6 6T8 6W6GT 6SN7GTB 6S4A 6AL5 6SN7GTB 6DQ6 or 6CU6 6AX4GT 1B3GT 5U4G 21ATP4 or 24YP4
- Main principle
- Superhet with RF-stage
- Wave bands
- VHF incl. FM and/or UHF (see notes for details)
- Power type and voltage
- Alternating Current supply (AC) / 60 cycles, 110-120 Volt
- Loudspeaker
- - This model requires external speaker(s).
- Material
- Metal case
- from Radiomuseum.org
- Model: Ch= CMUE493AA 117 Series - Magnavox Co., Commercial
- Shape
- Chassis only or for «building in»
- Notes
-
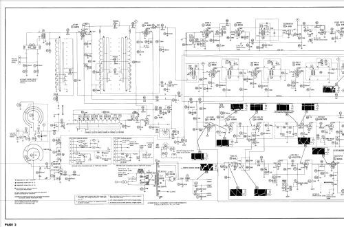
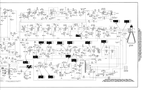
The Magnavox chassis CMUE493AA 117 Series is a b/w TV with US standard VHF Tuner channels 2 thru 13, 14 thru 83 UHF. This chassis is equipped with a picture tube 21ATP4 or 24YP4.
- Literature/Schematics (1)
- Photofact Folder, Howard W. SAMS (Set 350 Folder 8 date 3 - 57)
- Author
- Model page created by Dirk Taekels. See "Data change" for further contributors.
- Other Models
-
Here you find 1082 models, 499 with images and 832 with schematics for wireless sets etc. In French: TSF for Télégraphie sans fil.
All listed radios etc. from Magnavox Co., Commercial Wireless and Development Co.; San Francisco, later Fort Waye, IN