- Pays
- Etats-Unis
- Fabricant / Marque
- Magnavox Co., Commercial Wireless and Development Co.; San Francisco, later Fort Waye, IN
- Année
- 1950 ??
- Catégorie
- Radio - ou tuner d'après la guerre 1939-45
- Radiomuseum.org ID
- 46404
Cliquez sur la vignette du schéma pour le demander en tant que document gratuit.
- No. de tubes
- 10
- Principe général
- Super hétérodyne (en général); FI/IF 455/10700 kHz
- Gammes d'ondes
- PO, OC et FM
- Tension / type courant
- Alimentation externe ou alimentation principale
- Haut-parleur
- - Pour casque ou amplificateur BF
- De Radiomuseum.org
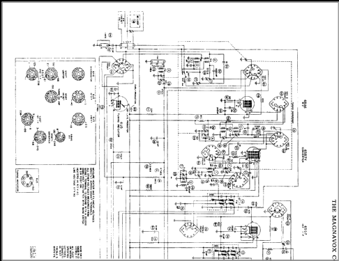
- Modèle: CR-202 Series - Magnavox Co., Commercial
- Remarques
- Model CR-202 with Amplifier AMP-109.
- Source extérieure
- Ernst Erb
- Source du schéma
- Rider's Perpetual, Volume 18 = 1949 and before
- D'autres Modèles
-
Vous pourrez trouver sous ce lien 1082 modèles d'appareils, 499 avec des images et 832 avec des schémas.
Tous les appareils de Magnavox Co., Commercial Wireless and Development Co.; San Francisco, later Fort Waye, IN