- Land
- USA
- Hersteller / Marke
- Magnavox Co., Commercial Wireless and Development Co.; San Francisco, later Fort Waye, IN
- Jahr
- 1951 ??
- Kategorie
- Rundfunkempfänger (Radio - oder Tuner nach WW2)
- Radiomuseum.org ID
- 46408
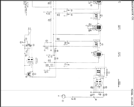
Klicken Sie auf den Schaltplanausschnitt, um diesen kostenlos als Dokument anzufordern.
- Anzahl Röhren
- 8
- Hauptprinzip
- Super mit HF-Vorstufe; ZF/IF 10700 kHz
- Wellenbereiche
- UKW-Gerät bzw. FM (keine weiteren Bänder).
- Betriebsart / Volt
- Wechselstromspeisung / 117 Volt
- Lautsprecher
- - Für Kopfhörer oder NF-Verstärker
- von Radiomuseum.org
- Modell: CR-206 - Magnavox Co., Commercial
- Datenherkunft extern
- Ernst Erb
- Schaltungsnachweis
- Rider's Perpetual, Volume 19 = 1949 and before
- Weitere Modelle
-
Hier finden Sie 1082 Modelle, davon 499 mit Bildern und 832 mit Schaltbildern.
Alle gelisteten Radios usw. von Magnavox Co., Commercial Wireless and Development Co.; San Francisco, later Fort Waye, IN