- Pays
- Etats-Unis
- Fabricant / Marque
- Magnavox Co., Commercial Wireless and Development Co.; San Francisco, later Fort Waye, IN
- Année
- 1957 ?
- Catégorie
- Récepteur de télévision ou moniteur
- Radiomuseum.org ID
- 314333
Cliquez sur la vignette du schéma pour le demander en tant que document gratuit.
- No. de tubes
- 20
- Lampes / Tubes
- 6BC8 6U8 6BZ6 6BZ6 6CB6 6AW8 6AN8 6AU6 6AU6 6T8 6DG6GT or 6W6GT 6SN7GTB 6S4A 6AL5 6SN7GTB 6DQ6A or 6CU6 or 6DQ6 6AX4GT 1B3GT 5U4GB 21ATP4
- Principe général
- Super hétérodyne avec étage HF
- Gammes d'ondes
- Bandes en notes
- Tension / type courant
- Alimentation Courant Alternatif (CA) / 60 Hz, 117V = 110 -120 Volt
- Haut-parleur
- HP dynamique à aimant permanent + bobine mobile
- Matière
- Boitier métallique
- De Radiomuseum.org
- Modèle: CTA501DC - Magnavox Co., Commercial
- Forme
- Chassis (pour intégration dans meuble)
- Remarques
-
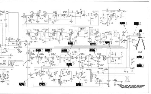
Magnavox Chassis CTA501DC a 21" b/w TV with US standard VHF tuner channels 2 thru 13. Equipped with VHF tuner 700541-3 and picture tube 21ATP4.
- Schémathèque (1)
- Photofact Folder, Howard W. SAMS (Set 370 Folder 8 dated 9-57)
- Auteur
- Modèle crée par Dirk Taekels. Voir les propositions de modification pour les contributeurs supplémentaires.
- D'autres Modèles
-
Vous pourrez trouver sous ce lien 1082 modèles d'appareils, 499 avec des images et 832 avec des schémas.
Tous les appareils de Magnavox Co., Commercial Wireless and Development Co.; San Francisco, later Fort Waye, IN