- Land
- USA
- Hersteller / Marke
- Magnavox Co., Commercial Wireless and Development Co.; San Francisco, later Fort Waye, IN
- Jahr
- 1957 ?
- Kategorie
- Fernseh-Empfänger/Monitor
- Radiomuseum.org ID
- 311377
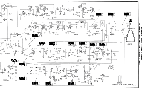
Klicken Sie auf den Schaltplanausschnitt, um diesen kostenlos als Dokument anzufordern.
- Anzahl Röhren
- 19
- Röhren
- 6BC8 6U8 6AF4A 6BZ6 6BZ6 6CB6 12BY7 6AN8 12AU7 6AU4 6DT6 6W6GT 6CM7 6SN7GTB 6DQ6 or 6CU6 6AX4GT 1B3GT 5U4GB 21ATP4
- Hauptprinzip
- Super mit HF-Vorstufe
- Wellenbereiche
- Wellen in den Bemerkungen.
- Betriebsart / Volt
- Wechselstromspeisung / 60 Hz, 117V = 110 -120 Volt
- Lautsprecher
- Dynamischer LS, keine Erregerspule (permanentdynamisch)
- Material
- Metallausführung
- von Radiomuseum.org
- Modell: Ch= U21-02BB - Magnavox Co., Commercial
- Form
- Chassis - Einbaugerät
- Bemerkung
-
Magnavox Chassis U21-02BB 21 Series is an 21" b/w TV with US FCC standard VHF tuner with channels 2 thru 13, 14 thru 83 UHF, VHF-Tuner 700541-3, UHF-Tuner 700530-2 and picture tube 21ATP4.
- Literaturnachweis
- Photofact Folder, Howard W. SAMS (Set 363 Folder 1 Production Changes Bulletin 187 Dated 57-7)
- Literatur/Schema (1)
- Photofact Folder, Howard W. SAMS (Set 347 Folder 7 Dated 2-57)
- Literatur/Schema (2)
- Photofact Folder, Howard W. SAMS (Set 339 Folder 18-S Dated 1956)
- Autor
- Modellseite von Dirk Taekels angelegt. Siehe bei "Änderungsvorschlag" für weitere Mitarbeit.
- Weitere Modelle
-
Hier finden Sie 1082 Modelle, davon 499 mit Bildern und 832 mit Schaltbildern.
Alle gelisteten Radios usw. von Magnavox Co., Commercial Wireless and Development Co.; San Francisco, later Fort Waye, IN