- País
- Estados Unidos
- Fabricante / Marca
- Magnavox Co., Commercial Wireless and Development Co.; San Francisco, later Fort Waye, IN
- Año
- 1957 ?
- Categoría
- Televisión (TV) o monitor
- Radiomuseum.org ID
- 311385
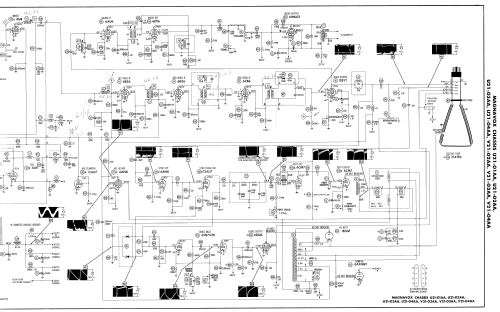
Haga clic en la miniatura esquemática para solicitarlo como documento gratuito.
- Numero de valvulas
- 19
- Válvulas
- 6BC8 6U8 6AF4A 6BZ6 6BZ6 6CB6 12BY7 6AN8 12AU7 6AU4 6DT6 6W6GT 6CM7 6SN7GTB 6DQ6 or 6CU6 6AX4GT 1B3GT 5U4GB 21ATP4
- Principio principal
- Superheterodino con paso previo de RF
- Gama de ondas
- Bandas de recepción puestas en notas.
- Tensión de funcionamiento
- Red: Corriente alterna (CA, Inglés = AC) / 60 Hz, 117V = 110 -120 Volt
- Altavoz
- Altavoz dinámico (de imán permanente)
- Material
- Metálico
- de Radiomuseum.org
- Modelo: Ch= U21-09BB - Magnavox Co., Commercial
- Forma
- Chasis (tambien de autoradio)
- Anotaciones
-
Magnavox Chassis U21-09BB 21 Series is an 21" b/w TV with US FCC standard VHF tuner with channels 2 thru 13, 14 thru 83 UHF, VHF-Tuner 700541-3, UHF-Tuner 700530-2 and picture tube 21ATP4.
- Mencionado en
- Photofact Folder, Howard W. SAMS (Set 363 Folder 1 Production Changes Bulletin 187 Dated 57-7)
- Documentación / Esquemas (1)
- Photofact Folder, Howard W. SAMS (Set 347 Folder 7 Dated 2-57)
- Documentación / Esquemas (2)
- Photofact Folder, Howard W. SAMS (Set 339 Folder 18-S Dated 1956)
- Autor
- Modelo creado por Dirk Taekels. Ver en "Modificar Ficha" los participantes posteriores.
- Otros modelos
-
Donde encontrará 1082 modelos, 499 con imágenes y 832 con esquemas.
Ir al listado general de Magnavox Co., Commercial Wireless and Development Co.; San Francisco, later Fort Waye, IN