Ch= U74-02-AA 74-Series
Magnavox Co., Commercial Wireless and Development Co.; San Francisco, later Fort Waye, IN
- Land
- USA
- Hersteller / Marke
- Magnavox Co., Commercial Wireless and Development Co.; San Francisco, later Fort Waye, IN
- Jahr
- 1957 ?
- Kategorie
- Fernseh-Empfänger/Monitor
- Radiomuseum.org ID
- 315614
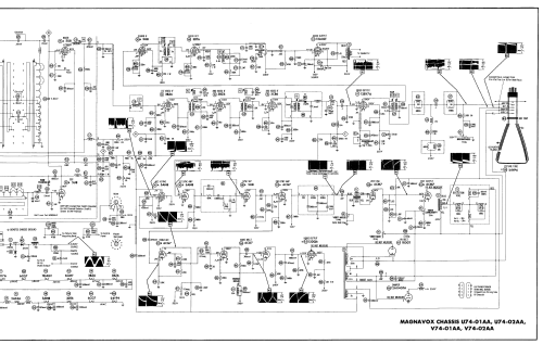
Klicken Sie auf den Schaltplanausschnitt, um diesen kostenlos als Dokument anzufordern.
- Anzahl Röhren
- 17
- Röhren
- 2AF4A 4BQ7A 5U8 3BZ6 3BZ6 12BY7A 5AN8 5U8 3DT6 12L6GT 6CG7 6CM7 6CG7 12DQ6 or 12DQ6A 12AX4GTA 1B3GT 24YP4 or 21ATP4
- Hauptprinzip
- Super mit HF-Vorstufe
- Wellenbereiche
- Wellen in den Bemerkungen.
- Betriebsart / Volt
- Wechselstromspeisung / 60 Hz, 117V = 110 -120 Volt
- Material
- Metallausführung
- von Radiomuseum.org
- Modell: Ch= U74-02-AA 74-Series - Magnavox Co., Commercial
- Form
- Chassis - Einbaugerät
- Bemerkung
-
Motorola Chassis U74-02AA is a 21or 24" b/w TV with US standard VHF tuner channels 2 thru 13, and 14 thru 83 UHF. Equipped with chassis D2000D, VHF-tuner 700558-2, UHF tuner 700556-2 and picture tube 24YP4 or 21ATP4.
- Literatur/Schema (1)
- Photofact Folder, Howard W. SAMS (Set 375 Folder 3 dated 10-57)
- Autor
- Modellseite von Dirk Taekels angelegt. Siehe bei "Änderungsvorschlag" für weitere Mitarbeit.
- Weitere Modelle
-
Hier finden Sie 1082 Modelle, davon 499 mit Bildern und 832 mit Schaltbildern.
Alle gelisteten Radios usw. von Magnavox Co., Commercial Wireless and Development Co.; San Francisco, later Fort Waye, IN