661-A
Maguire Industries, Inc.
- Pays
- Etats-Unis
- Fabricant / Marque
- Maguire Industries, Inc.
- Année
- 1946/1947
- Catégorie
- Radio - ou tuner d'après la guerre 1939-45
- Radiomuseum.org ID
- 151956
Cliquez sur la vignette du schéma pour le demander en tant que document gratuit.
- No. de tubes
- 5
- Principe général
- Super hétérodyne avec étage HF; FI/IF 455 kHz; 2 Etage(s) BF
- Circuits accordés
- 6 Circuits MA (AM)
- Gammes d'ondes
- PO uniquement
- Tension / type courant
- Appareil tous courants (CA / CC) / 105-125 Volt
- Haut-parleur
- HP dynamique à aimant permanent + bobine mobile
- Matière
- Bakélite ou plastique de type inconnu
- De Radiomuseum.org
- Modèle: 661-A - Maguire Industries, Inc.
- Forme
- Modèle de table sans poussoirs, modèle cheminée
- Remarques
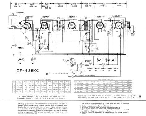
- The Maguire model 661 and 661-A are AC-DC Operated Superheterodyne Receivers with Self Contained Loop Antenna. They share the same chassis on Photofact but differ in the case.
- Schémathèque (1)
- Photofact Folder, Howard W. SAMS (Date: Jan 1947, Set 12, Folder 472-18)
- Auteur
- Modèle crée par Ernst Erb. Voir les propositions de modification pour les contributeurs supplémentaires.
- D'autres Modèles
-
Vous pourrez trouver sous ce lien 16 modèles d'appareils, 7 avec des images et 16 avec des schémas.
Tous les appareils de Maguire Industries, Inc.