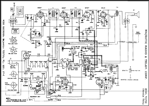
7YR752 Ch= 7B04A
Majestic Radio & Television Co.,(post 1932)
- Country
- United States of America (USA)
- Manufacturer / Brand
- Majestic Radio & Television Co.,(post 1932)
- Year
- 1947
- Category
- Broadcast Receiver - or past WW2 Tuner
- Radiomuseum.org ID
- 46700
Click on the schematic thumbnail to request the schematic as a free document.
- Number of Tubes
- 7
- Main principle
- Superheterodyne (common); ZF/IF 455 kHz
- Tuned circuits
- 6 AM circuit(s)
- Wave bands
- Broadcast only (MW).
- Details
- Wire Recorder (or -Player)
- Power type and voltage
- Alternating Current supply (AC) / 115 Volt
- Loudspeaker
- Permanent Magnet Dynamic (PDyn) Loudspeaker (moving coil) / Ø 4.5 inch = 11.4 cm
- Material
- Wooden case
- from Radiomuseum.org
- Model: 7YR752 Ch= 7B04A - Majestic Radio & Television Co
- Shape
- Tablemodel, Box - most often with Lid (NOT slant panel).
- Dimensions (WHD)
- 17.3125 x 12.3125 x 14.75 inch / 440 x 313 x 375 mm
- Notes
- Built in Wire Recorder. Tunes 535 to 1620 kc.
- External source of data
- Ernst Erb
- Source of data
- Collector's Guide to Antique Radios 4. Edition
- Circuit diagram reference
- Rider's Perpetual, Volume 17 = 1948 and before
- Literature/Schematics (1)
- Photofact Folder, Howard W. SAMS (Set 29, Folder 4719-13)
- Literature/Schematics (2)
- Radio Retailing (Radio & Television R.) (September 1947 page 52, 78.)
- Other Models
-
Here you find 418 models, 174 with images and 358 with schematics for wireless sets etc. In French: TSF for Télégraphie sans fil.
All listed radios etc. from Majestic Radio & Television Co.,(post 1932)