Multimetr - Multimeter PU 516
Metra Blansko; Blansko
- Paese
- Tchécoslovaquie
- Produttore / Marca
- Metra Blansko; Blansko
- Anno
- 1991 ?
- Categoria
- Strumento da laboratorio
- Radiomuseum.org ID
- 343203
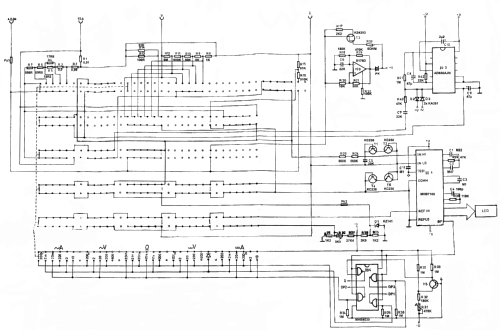
Clicca sulla miniatura dello schema per richiederlo come documento gratuito.
- Numero di transistor
- 6
- Semiconduttori
- KC238 KC238 KC238 KC238 unknown_tr_FET unknown_tr AD636 ICL7106 CD4030 B176D
- Gamme d'onda
- - senza
- Tensioni di funzionamento
- Batterie a secco / 9 Volt
- Altoparlante
- - - Nessuna uscita audio.
- Materiali
- Plastica (non bachelite o catalina)
- Radiomuseum.org
- Modello: Multimetr - Multimeter PU 516 - Metra Blansko; Blansko
- Forma
- Tascabile (portatile molto piccola), < 20 cm
- Dimensioni (LxAxP)
- 96 x 168 x 35 mm / 3.8 x 6.6 x 1.4 inch
- Annotazioni
-
V, A, Ohm-meter.
- Peso netto
- 0.3 kg / 0 lb 10.6 oz (0.661 lb)
- Autore
- Modello inviato da Gabriel Toth. Utilizzare "Proponi modifica" per inviare ulteriori dati.
- Altri modelli
-
In questo link sono elencati 121 modelli, di cui 92 con immagini e 24 con schemi.
Elenco delle radio e altri apparecchi della Metra Blansko; Blansko