A-7 FM-Transceiver
MILITARY USSR (different makers for same model)
- Land
- Soviet Union (UdSSR)
- Hersteller / Marke
- MILITARY USSR (different makers for same model)
- Jahr
- 1943–1945
- Kategorie
- Militärischer Sende-Empfänger
- Radiomuseum.org ID
- 115200
Klicken Sie auf den Schaltplanausschnitt, um diesen kostenlos als Dokument anzufordern.
- Anzahl Röhren
- 11
- Hauptprinzip
- Sende-Empfänger; ZF/IF 1100 kHz
- Anzahl Kreise
- 5 Kreis(e) FM
- Wellenbereiche
- Wellen in den Bemerkungen.
- Betriebsart / Volt
- Akku und/oder Batterie / 2,4 / 160 Volt
- Lautsprecher
- - Für Kopfhörer oder NF-Verstärker
- Belastbarkeit / Leistung
- 1 W (Qualität unbekannt)
- Material
- Metallausführung
- von Radiomuseum.org
- Modell: A-7 FM-Transceiver - MILITARY USSR different makers
- Form
- Reisegerät > 20 cm (netzunabhängig betreibbar)
- Abmessungen (BHT)
- 210 x 385 x 330 mm / 8.3 x 15.2 x 13 inch
- Bemerkung
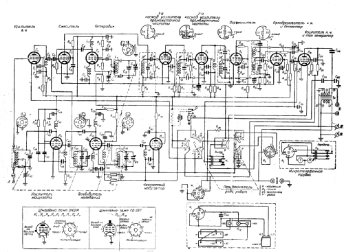
- First VHF FM transceiver of the Red Army designed for artillery locations and artillery reconnaissance. Covered 27 to 32 MHz, phone only (F3). Early A-7 models had CW capability (F2) also. Transmitter output power around 1W. Standard antennas - 2.5 m vertical or 6.4 meter long flexible wire. Field telephone type handset to listen and talk. Wooden carry case with belts for transceiver and batteries, full weight - 21 kg. Two meters on the front panel have been characteristic of A-7 only. Next models (A-7-A, A-7-B and "Reid-I") all had one single meter on their front panels. Modulated CW capability (F2) was later reproduced in "Reid-I" FM transceiver.
- Nettogewicht
- 15.5 kg / 34 lb 2.3 oz (34.141 lb)
- Datenherkunft
- - - Data from my own collection
- Literaturnachweis
- -- Collector info (Sammler)
- Literatur/Schema (1)
- Manual for A-7 Radio. Moscow, 1943
- Autor
- Modellseite von Zenonas Langaitis angelegt. Siehe bei "Änderungsvorschlag" für weitere Mitarbeit.
- Weitere Modelle
-
Hier finden Sie 57 Modelle, davon 55 mit Bildern und 13 mit Schaltbildern.
Alle gelisteten Radios usw. von MILITARY USSR (different makers for same model)