Power Supply PP-112/GR
MILITARY U.S. (different makers for same model)
- Produttore / Marca
- MILITARY U.S. (different makers for same model)
- Anno
- 1963
- Categoria
- Alimentatore/stabilizzatore di alimentazione o batteria o caricabatterie
- Radiomuseum.org ID
- 216270
Clicca sulla miniatura dello schema per richiederlo come documento gratuito.
- Numero di tubi
- 2
- Gamme d'onda
- - senza
- Tensioni di funzionamento
- Batteria di accumulatori, per tutto (es. autoradio, radio amatoriali) / 24 Volt
- Altoparlante
- - - Nessuna uscita audio.
- Materiali
- Mobile di metallo
- Radiomuseum.org
- Modello: Power Supply PP-112/GR - MILITARY U.S. different makers
- Forma
- Boatanchor (pesante apparecchio militare o commerciale, > 20 kg)
- Dimensioni (LxAxP)
- 7.3 x 9 x 13 inch / 185 x 229 x 330 mm
- Annotazioni
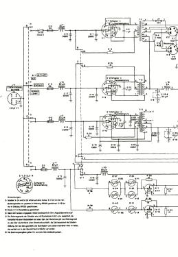
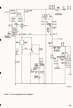
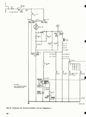
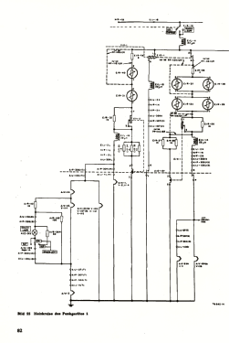
- Power Supply PP-112/GR;
Three vibrator units. For RT-66/-67/-68 transceivers. Interconnection cable PP-112/GRC. Vehicle mounting plate MT-299/GRC.
- Peso netto
- 39 lb (39 lb 0 oz) / 17.706 kg
- Bibliografia
- TDv 5820/031-14, Juni 1963
- Autore
- Modello inviato da un iscritto da A. Utilizzare "Proponi modifica" per inviare ulteriori dati.
- Altri modelli
-
In questo link sono elencati 408 modelli, di cui 360 con immagini e 215 con schemi.
Elenco delle radio e altri apparecchi della MILITARY U.S. (different makers for same model)