Radio Receiver (military) BC-624 SCR-522
MILITARY U.S. (different makers for same model)
- País
- Estados Unidos
- Fabricante / Marca
- MILITARY U.S. (different makers for same model)
- Año
- 1941 ??
- Categoría
- Receptor militar
- Radiomuseum.org ID
- 280936
Haga clic en la miniatura esquemática para solicitarlo como documento gratuito.
- Numero de valvulas
- 12
- Principio principal
- ZF/IF 12000 kHz
- Tensión de funcionamiento
- Red: Corriente continua (CC, inglés = DC) / 300 & 12 Volt
- Material
- Metálico
- de Radiomuseum.org
- Modelo: Radio Receiver BC-624 SCR-522 - MILITARY U.S. different makers
- Anotaciones
-
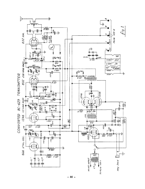
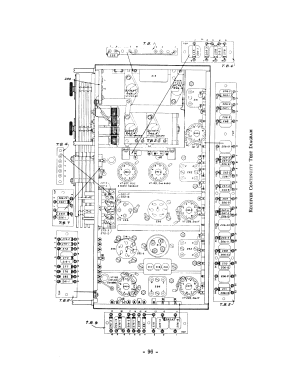
Receiving section of SCR 522 and SCR 542.
Frequency range: 100 -156 MHz in 4 preselected channels.
Impedance output: 4000, 300, 50 Ω.Squelch and ANL.
- Mencionado en
- The Surplus Handbook - Receivers and Transmitters (page 33-34)
- Documentación / Esquemas (1)
- -- Original-techn. papers. (Radiosurplus Ieri e Oggi, Umberto Bianchi - Italy)
- Documentación / Esquemas (2)
- -- Schematic
- Autor
- Modelo creado por Alessandro De Poi. Ver en "Modificar Ficha" los participantes posteriores.
- Otros modelos
-
Donde encontrará 408 modelos, 360 con imágenes y 215 con esquemas.
Ir al listado general de MILITARY U.S. (different makers for same model)
Colecciones
El modelo Radio Receiver (military) es parte de las colecciones de los siguientes miembros.
Literatura
El modelo Radio Receiver (military) está documentado en la siguiente literatura.