Signal Generator RF SG-1041/URM-191
MILITARY U.S. (different makers for same model)
- Produttore / Marca
- MILITARY U.S. (different makers for same model)
- Anno
- 1960 ??
- Categoria
- Strumento da laboratorio
- Radiomuseum.org ID
- 110314
Clicca sulla miniatura dello schema per richiederlo come documento gratuito.
- Numero di transistor
- A semiconduttori.
- Semiconduttori
- Gamme d'onda
- Gamme d'onda nelle note.
- Tensioni di funzionamento
- Alimentazione a corrente alternata (CA) / 110 Volt
- Altoparlante
- - - Nessuna uscita audio.
- Materiali
- Mobile di metallo
- Radiomuseum.org
- Modello: Signal Generator RF SG-1041/URM-191 - MILITARY U.S. different makers
- Forma
- Soprammobile con qualsiasi forma (non saputo).
- Dimensioni (LxAxP)
- 330 x 260 x 200 mm / 13 x 10.2 x 7.9 inch
- Annotazioni
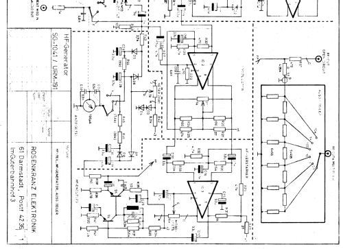
- RF-Generator with digital frquency readout, range 10 kHz to 50 MHz.
- Peso netto
- 7 kg / 15 lb 6.7 oz (15.419 lb)
- Autore
- Modello inviato da Johann Nussbaum. Utilizzare "Proponi modifica" per inviare ulteriori dati.
- Altri modelli
-
In questo link sono elencati 408 modelli, di cui 360 con immagini e 215 con schemi.
Elenco delle radio e altri apparecchi della MILITARY U.S. (different makers for same model)
Collezioni
Il modello Signal Generator RF fa parte delle collezioni dei seguenti membri.