Fiesta 1271
Mitchell Mfg. Co., (ELCO, ESCO); Chicago, IL
- Pays
- Etats-Unis
- Fabricant / Marque
- Mitchell Mfg. Co., (ELCO, ESCO); Chicago, IL
- Année
- 1954 ?
- Catégorie
- Radio - ou tuner d'après la guerre 1939-45
- Radiomuseum.org ID
- 352982
Cliquez sur la vignette du schéma pour le demander en tant que document gratuit.
- No. de tubes
- 5
- Principe général
- Super hétérodyne (en général); FI/IF 455 kHz; 2 Etage(s) BF
- Circuits accordés
- 5 Circuits MA (AM)
- Gammes d'ondes
- PO uniquement
- Tension / type courant
- Appareil tous courants (CA / CC) / 117 Volt
- Haut-parleur
- HP dynamique à aimant permanent + bobine mobile / Ø 4 inch = 10.2 cm
- Matière
- Bakélite ou plastique de type inconnu
- De Radiomuseum.org
- Modèle: Fiesta 1271 - Mitchell Mfg. Co., ELCO, ESCO;
- Forme
- Modèle de table générique
- Dimensions (LHP)
- 8.5 x 5.75 x 4.5 inch / 216 x 146 x 114 mm
- Remarques
-
The Mitchell Fiesta 1271 Radio Receiver came in three cabinet colors.
1271 Ebony, 1272 White, 1273 Green.
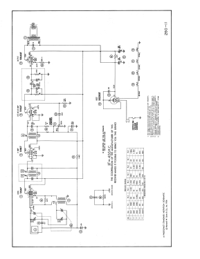
- Schémathèque (1)
- Photofact Folder, Howard W. SAMS (Set 260, Folder 11, Dec. 1954.)
- Auteur
- Modèle crée par Jerry Healy. Voir les propositions de modification pour les contributeurs supplémentaires.
- D'autres Modèles
-
Vous pourrez trouver sous ce lien 60 modèles d'appareils, 41 avec des images et 45 avec des schémas.
Tous les appareils de Mitchell Mfg. Co., (ELCO, ESCO); Chicago, IL