1252 "The Nocturne"
Mitchell Mfg. Co., (ELCO, ESCO); Chicago, IL
- Produttore / Marca
- Mitchell Mfg. Co., (ELCO, ESCO); Chicago, IL
- Anno
- 1952 ?
- Categoria
- Radio (o sintonizzatore del dopoguerra WW2)
- Radiomuseum.org ID
- 47420
Clicca sulla miniatura dello schema per richiederlo come documento gratuito.
- Numero di tubi
- 5
- Principio generale
- Supereterodina (in generale); ZF/IF 455 kHz; 2 Stadi BF
- N. di circuiti accordati
- 6 Circuiti Mod. Amp. (AM)
- Gamme d'onda
- Solo onde medie (OM).
- Tensioni di funzionamento
- Alimentazione universale (doppia: CC/CA) / AC/DC 117=110-120 Volt
- Altoparlante
- AP magnetodinamico (magnete permanente e bobina mobile) / Ø 4 inch = 10.2 cm
- Materiali
- Plastica (non bachelite o catalina)
- Radiomuseum.org
- Modello: 1252 "The Nocturne" - Mitchell Mfg. Co., ELCO, ESCO;
- Forma
- Soprammobile compatto/con bordi arrotondati/midget senza pulsantiera/tastiera.<= 35 cm (Sometimes with handle but for mains only).
- Annotazioni
-
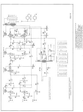
Mitchell model 1252 is an AC-DC operated superheterodyne receiver with loop antenna.
- Fonte esterna dei dati
- Ernst Erb
- Fonte dei dati
- Collector's Guide to Antique Radios (6th edition)
- Riferimenti schemi
- Rider's Perpetual, Volume 22, covering 1951
- Letteratura / Schemi (1)
- Photofact Folder, Howard W. SAMS (Set 155, folder 12, dated 1-52)
- Altri modelli
-
In questo link sono elencati 60 modelli, di cui 41 con immagini e 45 con schemi.
Elenco delle radio e altri apparecchi della Mitchell Mfg. Co., (ELCO, ESCO); Chicago, IL