- Pays
- Japon
- Fabricant / Marque
- Mitsubishi Electric Corporation
- Année
- 1964–1966
- Catégorie
- Radio - ou tuner d'après la guerre 1939-45
- Radiomuseum.org ID
- 232188
Cliquez sur la vignette du schéma pour le demander en tant que document gratuit.
- No. de transistors
- 7
- Principe général
- Super hétérodyne (en général); FI/IF 455 kHz; 2 Etage(s) BF
- Circuits accordés
- 5 Circuits MA (AM)
- Tension / type courant
- Piles sèches / 9 Volt
- Haut-parleur
- HP dynamique à aimant permanent + bobine mobile / Ø 5.7 cm = 2.2 inch
- Matière
- Plastique moderne (pas de bakélite, ni de catalin)
- De Radiomuseum.org
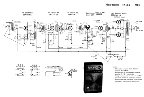
- Modèle: 7X-164 - Mitsubishi Electric
- Forme
- Portable, appareil de poche. Taille < 20cm
- Poids net
- 0.2 kg / 0 lb 7 oz (0.441 lb)
- Prix de mise sur le marché
- 22.05 AUS £
- Littérature
- Mingay's Price Service (Feb 1965 to Feb 1966.)
- Schémathèque (1)
- J.R. Publications Transistor Radio Service Handbook (Group C2, 1965, Page M21.)
- Auteur
- Modèle crée par d'un membre de A. Voir les propositions de modification pour les contributeurs supplémentaires.
- D'autres Modèles
-
Vous pourrez trouver sous ce lien 328 modèles d'appareils, 269 avec des images et 92 avec des schémas.
Tous les appareils de Mitsubishi Electric Corporation