- Country
- United States of America (USA)
- Manufacturer / Brand
- Montgomery Ward & Co. (Wards, Airline); Chicago, IL
- Year
- 1946
- Category
- Broadcast Receiver - or past WW2 Tuner
- Radiomuseum.org ID
- 48266
-
- Brand: Airline or Air-Line
Click on the schematic thumbnail to request the schematic as a free document.
- Number of Tubes
- 4
- Main principle
- Superheterodyne (common); ZF/IF 455 kHz; 2 AF stage(s)
- Tuned circuits
- 6 AM circuit(s)
- Wave bands
- Broadcast only (MW).
- Power type and voltage
- Line / Batteries (any type) / AC/DC 110-120/ 60 & 1.5 Volt
- Loudspeaker
- Permanent Magnet Dynamic (PDyn) Loudspeaker (moving coil) / Ø 4 inch = 10.2 cm
- Power out
- 0.12 W (unknown quality)
- from Radiomuseum.org
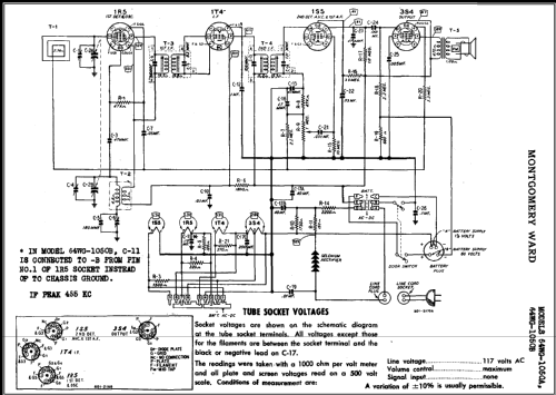
- Model: 64WG-1050B - Montgomery Ward & Co. Wards,
- Shape
- Portable set > 8 inch (also usable without mains)
- Notes
- Selenium Rectifier.
- External source of data
- Ernst Erb
- Circuit diagram reference
- Rider's Perpetual, Volume 15 = 1947 and before
- Other Models
-
Here you find 2338 models, 1472 with images and 1834 with schematics for wireless sets etc. In French: TSF for Télégraphie sans fil.
All listed radios etc. from Montgomery Ward & Co. (Wards, Airline); Chicago, IL