Airline 74BR-1514B
Montgomery Ward & Co. (Wards, Airline); Chicago, IL
- Country
- United States of America (USA)
- Manufacturer / Brand
- Montgomery Ward & Co. (Wards, Airline); Chicago, IL
- Year
- 1947
- Category
- Broadcast Receiver - or past WW2 Tuner
- Radiomuseum.org ID
- 48302
-
- Brand: Airline or Air-Line
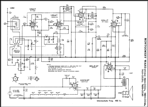
Click on the schematic thumbnail to request the schematic as a free document.
- Number of Tubes
- 6
- Main principle
- Superhet with RF-stage; ZF/IF 455 kHz
- Wave bands
- Broadcast and Short Wave (SW).
- Power type and voltage
- AC/DC-set / 105 - 125 Volt
- Loudspeaker
- Permanent Magnet Dynamic (PDyn) Loudspeaker (moving coil) - elliptical
- Power out
- 0.85 W (unknown quality)
- Material
- Plastics (no bakelite or catalin)
- from Radiomuseum.org
- Model: Airline 74BR-1514B - Montgomery Ward & Co. Wards,
- Shape
- Tablemodel, with any shape - general.
- Notes
- 4" x 6" PM elliptical speaker.
- External source of data
- Ernst Erb
- Source of data
- Collector's Guide to Antique Radios 4. Edition
- Circuit diagram reference
- Rider's Perpetual, Volume 17 = 1948 and before
- Literature/Schematics (1)
- Photofact Folder, Howard W. SAMS (Set 24, Folder 4714-4)
- Other Models
-
Here you find 2338 models, 1472 with images and 1834 with schematics for wireless sets etc. In French: TSF for Télégraphie sans fil.
All listed radios etc. from Montgomery Ward & Co. (Wards, Airline); Chicago, IL