Airline 74WG-1056A
Montgomery Ward & Co. (Wards, Airline); Chicago, IL
- Land
- USA
- Hersteller / Marke
- Montgomery Ward & Co. (Wards, Airline); Chicago, IL
- Jahr
- 1947
- Kategorie
- Rundfunkempfänger (Radio - oder Tuner nach WW2)
- Radiomuseum.org ID
- 48326
-
- Marke: Airline or Air-Line
Klicken Sie auf den Schaltplanausschnitt, um diesen kostenlos als Dokument anzufordern.
- Anzahl Röhren
- 5
- Hauptprinzip
- Superhet allgemein; ZF/IF 455 kHz; 2 NF-Stufe(n)
- Anzahl Kreise
- 6 Kreis(e) AM
- Wellenbereiche
- Mittelwelle, keine anderen.
- Betriebsart / Volt
- Netz- / Batteriespeisung / 117; 9 & 90 Volt
- Lautsprecher
- Dynamischer LS, keine Erregerspule (permanentdynamisch)
- Material
- Leder / Stoff / Plastic / Segeltuch über div. Material
- von Radiomuseum.org
- Modell: Airline 74WG-1056A - Montgomery Ward & Co. Wards,
- Form
- Reisegerät > 20 cm (netzunabhängig betreibbar)
- Bemerkung
- Selenium Rectifier
- Datenherkunft extern
- Ernst Erb
- Datenherkunft
- Collector's Guide to Antique Radios (7th Edition)
- Schaltungsnachweis
- Rider's Perpetual, Volume 17 = 1948 and before
- Literaturnachweis
- The Radio Collector's Directory and Price Guide 1921 - 1965
- Literatur/Schema (1)
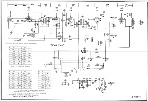
- Photofact Folder, Howard W. SAMS (Set #29 Folder # 4719-1)
- Weitere Modelle
-
Hier finden Sie 2333 Modelle, davon 1471 mit Bildern und 1829 mit Schaltbildern.
Alle gelisteten Radios usw. von Montgomery Ward & Co. (Wards, Airline); Chicago, IL