- Land
- USA
- Hersteller / Marke
- Montgomery Ward & Co. (Wards, Airline); Chicago, IL
- Jahr
- 1939 ?
- Kategorie
- Rundfunkempfänger (Radio - oder Tuner nach WW2)
- Radiomuseum.org ID
- 48546
-
- Marke: Airline or Air-Line
Klicken Sie auf den Schaltplanausschnitt, um diesen kostenlos als Dokument anzufordern.
- Anzahl Röhren
- 8
- Hauptprinzip
- Super mit HF-Vorstufe; 2 NF-Stufe(n)
- Anzahl Kreise
- 7 Kreis(e) AM
- Wellenbereiche
- Mittelwelle und Kurzwelle.
- Betriebsart / Volt
- Wechselstromspeisung / 117 Volt
- Lautsprecher
- Dynamischer LS, mit Erregerspule (elektrodynamisch) / Ø 6 inch = 15.2 cm
- Belastbarkeit / Leistung
- 3 W (Qualität unbekannt)
- von Radiomuseum.org
- Modell: 93WG-809B - Montgomery Ward & Co. Wards,
- Form
- Tischmodell, Zusatz nicht bekannt - allgemein.
- Datenherkunft extern
- Ernst Erb
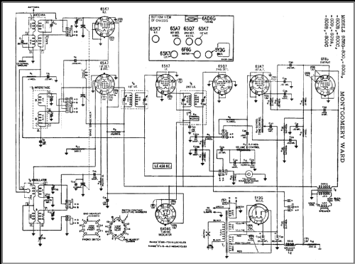
- Schaltungsnachweis
- Rider's Perpetual, Volume 15 = 1947 and before
- Weitere Modelle
-
Hier finden Sie 2338 Modelle, davon 1472 mit Bildern und 1834 mit Schaltbildern.
Alle gelisteten Radios usw. von Montgomery Ward & Co. (Wards, Airline); Chicago, IL