Airline 25BR-3058A
Montgomery Ward & Co. (Wards, Airline); Chicago, IL
- Country
- United States of America (USA)
- Manufacturer / Brand
- Montgomery Ward & Co. (Wards, Airline); Chicago, IL
- Year
- 1953 ?
- Category
- Television Receiver (TV) or Monitor
- Radiomuseum.org ID
- 361908
-
- Brand: Airline or Air-Line
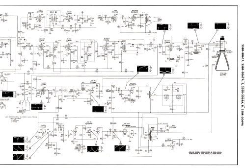
Click on the schematic thumbnail to request the schematic as a free document.
- Number of Tubes
- 18
- Valves / Tubes
- 6BK7 12AT7 6CB6 6CB6 6CB6 6AH6 6AU6 6AL5 6AV6 25L6GT 6BE6 12BH7 or 12SN7GT 6AL5 6SN7GT 25BQ6GT 6AX4GT 1X2A 17HP4
- Main principle
- Superhet with RF-stage
- Wave bands
- Wave Bands given in the notes.
- Power type and voltage
- Alternating Current supply (AC) / 60 Hz, 117V = 110 -120 Volt
- Loudspeaker
- Permanent Magnet Dynamic (PDyn) Loudspeaker (moving coil) / Ø 5 inch = 12.7 cm
- Material
- Plastics (no bakelite or catalin)
- from Radiomuseum.org
- Model: Airline 25BR-3058A - Montgomery Ward & Co. Wards,
- Shape
- Tablemodel, with any shape - general.
- Notes
-
Airline model 25BR-3058A is a 17” b/w TV with US standard VHF tuner channels 2 thru 13. Equipped with a VHF tuner and picture tube 17HP4.
- Literature/Schematics (1)
- Photofact Folder, Howard W. SAMS (Set 200, folder 1, dated 4-53)
- Author
- Model page created by Dirk Taekels. See "Data change" for further contributors.
- Other Models
-
Here you find 2338 models, 1472 with images and 1834 with schematics for wireless sets etc. In French: TSF for Télégraphie sans fil.
All listed radios etc. from Montgomery Ward & Co. (Wards, Airline); Chicago, IL