Airline 25WG-3077B
Montgomery Ward & Co. (Wards, Airline); Chicago, IL
- Country
- United States of America (USA)
- Manufacturer / Brand
- Montgomery Ward & Co. (Wards, Airline); Chicago, IL
- Year
- 1953 ?
- Category
- Television Receiver (TV) or Monitor
- Radiomuseum.org ID
- 363145
-
- Brand: Airline or Air-Line
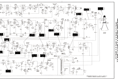
Click on the schematic thumbnail to request the schematic as a free document.
- Number of Tubes
- 23
- Valves / Tubes
- 6BQ7 or 6BZ7 6J6 6CB6 6CB6 6CB6 6AL5 12AT7 6AH6 6AU6 6AU6 6AU6 6AL5 6AV6 6AQ5 6BE6 6BL7GT 6AL5 6SN7GTA 6BQ6GT 6W4GT 1B3GT 5U4G 21MP4
- Main principle
- Superhet with RF-stage
- Wave bands
- Wave Bands given in the notes.
- Power type and voltage
- Alternating Current supply (AC) / 60 Hz, 117V = 110 -120 Volt
- Loudspeaker
- Permanent Magnet Dynamic (PDyn) Loudspeaker (moving coil) / Ø 6 inch = 15.2 cm
- Material
- Wooden case
- from Radiomuseum.org
- Model: Airline 25WG-3077B - Montgomery Ward & Co. Wards,
- Shape
- Tablemodel, with any shape - general.
- Notes
-
Airline model 25WG-3077B is a 21” b/w TV with US standard VHF tuner channels 2 thru 13. Equipped with VHF tuner 25A1095 and picture tube 21MP4.
- Literature/Schematics (1)
- Photofact Folder, Howard W. SAMS (Set 206, folder 2, dated 6-53)
- Author
- Model page created by Dirk Taekels. See "Data change" for further contributors.
- Other Models
-
Here you find 2338 models, 1472 with images and 1834 with schematics for wireless sets etc. In French: TSF for Télégraphie sans fil.
All listed radios etc. from Montgomery Ward & Co. (Wards, Airline); Chicago, IL