Airline 35GHM-2012A
Montgomery Ward & Co. (Wards, Airline); Chicago, IL
- Country
- United States of America (USA)
- Manufacturer / Brand
- Montgomery Ward & Co. (Wards, Airline); Chicago, IL
- Year
- 1953 ?
- Category
- Broadcast Receiver - or past WW2 Tuner
- Radiomuseum.org ID
- 121624
-
- Brand: Airline or Air-Line
Click on the schematic thumbnail to request the schematic as a free document.
- Number of Tubes
- 5
- Main principle
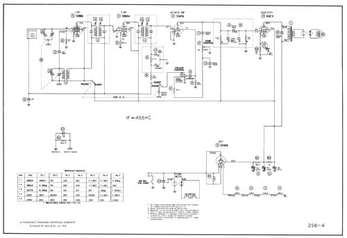
- Superheterodyne (common); ZF/IF 455 kHz; 2 AF stage(s)
- Tuned circuits
- 6 AM circuit(s)
- Wave bands
- Broadcast only (MW).
- Details
- Record Player (perh.Changer)
- Power type and voltage
- Alternating Current supply (AC) / 117 Volt
- Loudspeaker
- Permanent Magnet Dynamic (PDyn) Loudspeaker (moving coil)
- from Radiomuseum.org
- Model: Airline 35GHM-2012A - Montgomery Ward & Co. Wards,
- Shape
- Tablemodel, with any shape - general.
- Literature/Schematics (1)
- Photofact Folder, Howard W. SAMS (Set 256, Folder 4, November 1954)
- Author
- Model page created by Walter Wiesmüller † May 2012. See "Data change" for further contributors.
- Other Models
-
Here you find 2333 models, 1471 with images and 1829 with schematics for wireless sets etc. In French: TSF for Télégraphie sans fil.
All listed radios etc. from Montgomery Ward & Co. (Wards, Airline); Chicago, IL