Airline 84KR-1520A blue
Montgomery Ward & Co. (Wards, Airline); Chicago, IL
- Country
- United States of America (USA)
- Manufacturer / Brand
- Montgomery Ward & Co. (Wards, Airline); Chicago, IL
- Year
- 1948
- Category
- Broadcast Receiver - or past WW2 Tuner
- Radiomuseum.org ID
- 231114
-
- Brand: Airline or Air-Line
Click on the schematic thumbnail to request the schematic as a free document.
- Number of Tubes
- 4
- Main principle
- TRF without regeneration
- Tuned circuits
- 4 AM circuit(s)
- Wave bands
- Broadcast only (MW).
- Power type and voltage
- AC/DC-set / 105-125 Volt
- Loudspeaker
- Permanent Magnet Dynamic (PDyn) Loudspeaker (moving coil) / Ø 4 inch = 10.2 cm
- Power out
- 1.6 W (unknown quality)
- Material
- Metal case
- from Radiomuseum.org
- Model: Airline 84KR-1520A [blue] - Montgomery Ward & Co. Wards,
- Shape
- Tablemodel without push buttons, Mantel/Midget/Compact up to 14
- Dimensions (WHD)
- 8 x 6 x 4 inch / 203 x 152 x 102 mm
- Notes
-
Using 4 core tuned circuits.
Colours and material:
Painted metalStein lists:
- model 1520: ivory
- model 1521: red
- model 1524: bluebut in Sams and in Riders the 84KR-1520A is listed in 5 different colors:
- ivory
- red
- yellow
- green
- blue
- External source of data
- Ernst Erb
- Mentioned in
- Rider's Perpetual, Volume 18 = covering late 1947 to early 1948 (18/52)
- Literature/Schematics (1)
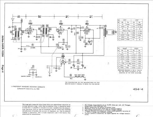
- Photofact Folder, Howard W. SAMS (Set #56-Folder #4)
- Literature/Schematics (2)
- Table Top Radios Vol. 1 Stein 98 (page 37.)
- Author
- Model page created by Konrad Birkner † 12.08.2014. See "Data change" for further contributors.
- Other Models
-
Here you find 2338 models, 1472 with images and 1834 with schematics for wireless sets etc. In French: TSF for Télégraphie sans fil.
All listed radios etc. from Montgomery Ward & Co. (Wards, Airline); Chicago, IL
Collections
The model Airline 84KR-1520A is part of the collections of the following members.