Airline 94GCB-1064A
Montgomery Ward & Co. (Wards, Airline); Chicago, IL
- País
- Estados Unidos
- Fabricante / Marca
- Montgomery Ward & Co. (Wards, Airline); Chicago, IL
- Año
- 1949 ?
- Categoría
- Radio - o Sintonizador pasado WW2
- Radiomuseum.org ID
- 223999
-
- Brand: Airline or Air-Line
Haga clic en la miniatura esquemática para solicitarlo como documento gratuito.
- Numero de valvulas
- 4
- Principio principal
- Superheterodino en general; ZF/IF 455 kHz; 2 Etapas de AF
- Número de circuitos sintonía
- 6 Circuíto(s) AM
- Gama de ondas
- OM (onda media) solamente
- Tensión de funcionamiento
- Baterías recargables o pilas / 1.5 & 67.5 Volt
- Altavoz
- Altavoz dinámico (de imán permanente) / Ø 2.5 inch = 6.4 cm
- Material
- Materiales diversos
- de Radiomuseum.org
- Modelo: Airline 94GCB-1064A - Montgomery Ward & Co. Wards,
- Forma
- Portátil > 20 cm (sin la necesidad de una red)
- Ancho, altura, profundidad
- 4.25 x 6.5 x 4 inch / 108 x 165 x 102 mm
- Anotaciones
-
The Airline 94GCB-1064A is a portable, battery operated 4 tube BC band receiver. BC band frequency range is 540-1650kHz. Case is painted metal (Gray), lids are [moulded] plastic (Red), handle is plastic (Red). Antenna is built into front cover. Uses D size 1.5V "A" battery and 67.5V "B" battery.
- Documentación / Esquemas (1)
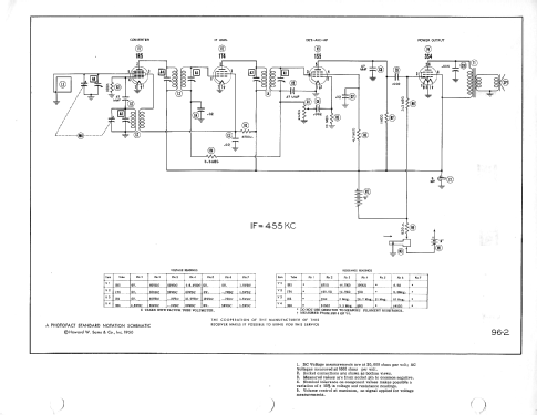
- Photofact Folder, Howard W. SAMS (Set 96, Folder 2, May 1950)
- Autor
- Modelo creado por John Kusching. Ver en "Modificar Ficha" los participantes posteriores.
- Otros modelos
-
Donde encontrará 2333 modelos, 1471 con imágenes y 1829 con esquemas.
Ir al listado general de Montgomery Ward & Co. (Wards, Airline); Chicago, IL