Airline GAA-2691A
Montgomery Ward & Co. (Wards, Airline); Chicago, IL
- País
- Estados Unidos
- Fabricante / Marca
- Montgomery Ward & Co. (Wards, Airline); Chicago, IL
- Año
- 1959 ?
- Categoría
- Registrador o reproductor de sonido o visual
- Radiomuseum.org ID
- 150278
-
- Brand: Airline or Air-Line
Haga clic en la miniatura esquemática para solicitarlo como documento gratuito.
- Numero de valvulas
- 5
- Principio principal
- Amplificador de Audio
- Gama de ondas
- - no hay
- Especialidades
- Tocadiscos con ampli. y altavoz
- Tensión de funcionamiento
- Red: Corriente alterna (CA, Inglés = AC) / 110 - 120 Volt
- Altavoz
- 4 Altavoces
- de Radiomuseum.org
- Modelo: Airline GAA-2691A - Montgomery Ward & Co. Wards,
- Anotaciones
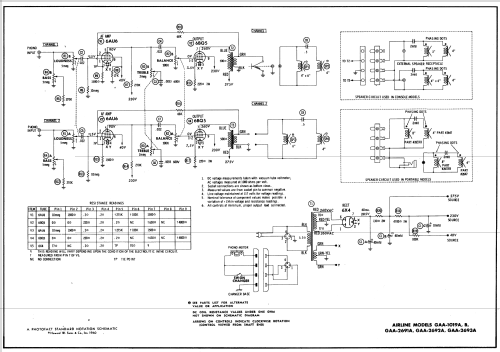
- AC operated stereo phono amplifier with 4 speed automatic record changer. Sams photofact set 496 folder 4 date 8-60 features the Airline models GAA-1019A, GAA-1019B, GAA-2691A, GAA-2692A and GAA-2693A as the same schematic.
- Documentación / Esquemas (1)
- Photofact Folder, Howard W. SAMS (Set 496 folder 4 date 8-60)
- Autor
- Modelo creado por Peter Hoddow. Ver en "Modificar Ficha" los participantes posteriores.
- Otros modelos
-
Donde encontrará 2338 modelos, 1472 con imágenes y 1834 con esquemas.
Ir al listado general de Montgomery Ward & Co. (Wards, Airline); Chicago, IL