Airline GSL-4013A
Montgomery Ward & Co. (Wards, Airline); Chicago, IL
- Country
- United States of America (USA)
- Manufacturer / Brand
- Montgomery Ward & Co. (Wards, Airline); Chicago, IL
- Year
- 1956 ?
- Category
- Television Receiver (TV) or Monitor
- Radiomuseum.org ID
- 337569
-
- Brand: Airline or Air-Line
Click on the schematic thumbnail to request the schematic as a free document.
- Number of Tubes
- 15
- Valves / Tubes
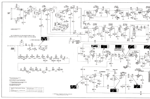
- 3BC5 5AT8 3CB6 3CB6 5U8 6AW8 3BN6 12L6GT 6SN7GTB 12W6GT 6SN7GTB 25CD6GA 19AU4 1X2B 17HP4
- Main principle
- Superhet with RF-stage
- Wave bands
- Wave Bands given in the notes.
- Power type and voltage
- Alternating Current supply (AC) / 60 Hz, 117V = 110 -120 Volt
- Loudspeaker
- Permanent Magnet Dynamic (PDyn) Loudspeaker (moving coil) / Ø 4 inch = 10.2 cm
- Material
- Wooden case
- from Radiomuseum.org
- Model: Airline GSL-4013A - Montgomery Ward & Co. Wards,
- Shape
- Tablemodel, with any shape - general.
- Notes
-
Airline model GSL-4013A is a 21” b/w TV with US standard VHF tuner channels 2 thru 13.
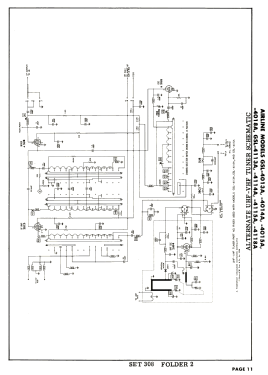
Equipped with VHF tuner R-1423 and picture tube 17HP4.
- Literature/Schematics (1)
- Photofact Folder, Howard W. SAMS (Set 308 Folder 2 dated 3-56)
- Author
- Model page created by Dirk Taekels. See "Data change" for further contributors.
- Other Models
-
Here you find 2338 models, 1472 with images and 1834 with schematics for wireless sets etc. In French: TSF for Télégraphie sans fil.
All listed radios etc. from Montgomery Ward & Co. (Wards, Airline); Chicago, IL