Airline WG-1637A
Montgomery Ward & Co. (Wards, Airline); Chicago, IL
- Land
- USA
- Hersteller / Marke
- Montgomery Ward & Co. (Wards, Airline); Chicago, IL
- Jahr
- 1957 ?
- Kategorie
- Rundfunkempfänger (Radio - oder Tuner nach WW2)
- Radiomuseum.org ID
- 310821
-
- Marke: Airline or Air-Line
Klicken Sie auf den Schaltplanausschnitt, um diesen kostenlos als Dokument anzufordern.
- Anzahl Röhren
- 6
- Hauptprinzip
- Superhet allgemein; ZF/IF 455 kHz
- Wellenbereiche
- Mittelwelle, keine anderen.
- Betriebsart / Volt
- Allstromgerät / 117V = 105 -125 Volt
- Lautsprecher
- 2 Lautsprecher
- Material
- Plastikgehäuse (nicht Bakelit), Thermoplast
- von Radiomuseum.org
- Modell: Airline WG-1637A - Montgomery Ward & Co. Wards,
- Form
- Tischmodell, Zusatz nicht bekannt - allgemein.
- Bemerkung
-
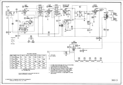
Airline model WG-1637A is an AC-DC operated AM receiver with phono provision. Speakers are 4"x 6".
- Literatur/Schema (1)
- Photofact Folder, Howard W. SAMS (Set 363 Folder 3 dated 7-57)
- Autor
- Modellseite von Dirk Taekels angelegt. Siehe bei "Änderungsvorschlag" für weitere Mitarbeit.
- Weitere Modelle
-
Hier finden Sie 2338 Modelle, davon 1472 mit Bildern und 1834 mit Schaltbildern.
Alle gelisteten Radios usw. von Montgomery Ward & Co. (Wards, Airline); Chicago, IL