Airline WG-4029A
Montgomery Ward & Co. (Wards, Airline); Chicago, IL
- Country
- United States of America (USA)
- Manufacturer / Brand
- Montgomery Ward & Co. (Wards, Airline); Chicago, IL
- Year
- 1957 ?
- Category
- Television Receiver (TV) or Monitor
- Radiomuseum.org ID
- 312640
- 
        - Brand: Airline or Air-Line
 
Click on the schematic thumbnail to request the schematic as a free document.
- Number of Tubes
- 15
- Valves / Tubes
- 2BN4 5CG8 3CB6 or 3BZ6 3CB6 or 3BZ6 12BY7A 5U8 3BN6 5AQ5 7AU7 12W6GT 6SN7GTB 12DQ6 or 12BQ6GA or 12CU6 12AX4GTA 1B3GT 21ATP4
- Main principle
- Superhet with RF-stage
- Wave bands
- Wave Bands given in the notes.
- Power type and voltage
- Alternating Current supply (AC) / 60 Hz, 117V = 110 -120 Volt
- Loudspeaker
- Permanent Magnet Dynamic (PDyn) Loudspeaker (moving coil) / Ø 5 inch = 12.7 cm
- Material
- Wooden case
- from Radiomuseum.org
- Model: Airline WG-4029A - Montgomery Ward & Co. Wards,
- Shape
- Tablemodel, with any shape - general.
- Notes
- 
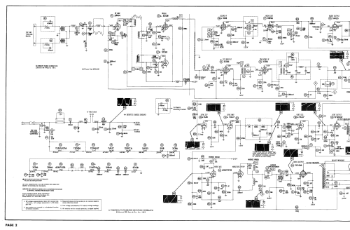
        Airline model WG-4029A is a 21" b/w TV with US standard VHF tuner channels 2 thru 13. Equipped with VHF tuner 25A1150 and picture tube 21ATP4. 
- Literature/Schematics (1)
- Photofact Folder, Howard W. SAMS (Set 367 Folder 3 dated 8-57)
- Author
- Model page created by Dirk Taekels. See "Data change" for further contributors.
- Other Models
- 
        Here you find 2338 models, 1472 with images and 1834 with schematics for wireless sets etc. In French: TSF for Télégraphie sans fil. 
 All listed radios etc. from Montgomery Ward & Co. (Wards, Airline); Chicago, IL
 
                
                
                
                
                
                
                
                
                
                
                
                
                
                
                
                
                
                
               