- Country
- United States of America (USA)
- Manufacturer / Brand
- Montgomery Ward & Co. (Wards, Airline); Chicago, IL
- Year
- 1956 ?
- Category
- Television Receiver (TV) or Monitor
- Radiomuseum.org ID
- 264113
-
- Brand: Airline or Air-Line
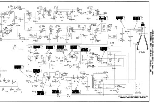
Click on the schematic thumbnail to request the schematic as a free document.
- Number of Tubes
- 13
- Main principle
- Superhet with RF-stage
- Wave bands
- VHF incl. FM and/or UHF (see notes for details)
- Power type and voltage
- Alternating Current supply (AC) / 60 cycles, 110-120 Volt
- Loudspeaker
- Permanent Magnet Dynamic (PDyn) Loudspeaker (moving coil) / Ø 4 inch = 10.2 cm
- Material
- Metal case
- from Radiomuseum.org
- Model: GRX4028A - Montgomery Ward & Co. Wards,
- Shape
- Tablemodel, with any shape - general.
- Notes
-
The Airline model GRX4028A is a 17" b/w TV with US standard VHF Tuner channels 2 thru 13, 14 thru 83 UHF and equipped with picture tube 17AVP4 and a selenium rectifier.
- Literature/Schematics (1)
- Photofact Folder, Howard W. SAMS (Set 345 Folder 2 date 1 - 57)
- Author
- Model page created by Dirk Taekels. See "Data change" for further contributors.
- Other Models
-
Here you find 2338 models, 1472 with images and 1834 with schematics for wireless sets etc. In French: TSF for Télégraphie sans fil.
All listed radios etc. from Montgomery Ward & Co. (Wards, Airline); Chicago, IL