Seven Transistor GTM-1201A
Montgomery Ward & Co. (Wards, Airline); Chicago, IL
- Produttore / Marca
- Montgomery Ward & Co. (Wards, Airline); Chicago, IL
- Anno
- 1959
- Categoria
- Radio (o sintonizzatore del dopoguerra WW2)
- Radiomuseum.org ID
- 92180
-
- Brand: Airline or Air-Line
Clicca sulla miniatura dello schema per richiederlo come documento gratuito.
- Numero di transistor
- 7
- Principio generale
- Supereterodina (in generale); ZF/IF 455 kHz; 2 Stadi BF
- N. di circuiti accordati
- 5 Circuiti Mod. Amp. (AM)
- Gamme d'onda
- Solo onde medie (OM).
- Tensioni di funzionamento
- Batterie a secco / 4 x 1.5 Volt
- Altoparlante
- AP magnetodinamico (magnete permanente e bobina mobile) / Ø 3.5 inch = 8.9 cm
- Materiali
- Plastica (non bachelite o catalina)
- Radiomuseum.org
- Modello: Seven Transistor GTM-1201A - Montgomery Ward & Co. Wards,
- Forma
- Tascabile (portatile molto piccola), < 20 cm
- Dimensioni (LxAxP)
- 4 x 6.75 x 2 inch / 102 x 171 x 51 mm
- Prezzo nel primo anno
- 34.95 $
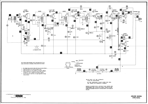
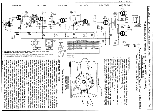
- Riferimenti schemi
- Beitman Radio Diagrams Vol. 20, 1960
- Letteratura / Schemi (1)
- Photofact Folder, Howard W. SAMS (Set 478 folder 6 date 3-60)
- Letteratura / Schemi (2)
- Montgomery Ward Catalogs (Wards, Airline) (Fall/Winter 1959, page 800.)
- Autore
- Modello inviato da Egon Penker. Utilizzare "Proponi modifica" per inviare ulteriori dati.
- Altri modelli
-
In questo link sono elencati 2338 modelli, di cui 1472 con immagini e 1834 con schemi.
Elenco delle radio e altri apparecchi della Montgomery Ward & Co. (Wards, Airline); Chicago, IL