Riverside FJB-6687
Montgomery Ward & Co. (Wards, Airline); Chicago, IL
- Country
- United States of America (USA)
- Manufacturer / Brand
- Montgomery Ward & Co. (Wards, Airline); Chicago, IL
- Year
- 1959
- Category
- Car Radio, perhaps also + sound player/recorder
- Radiomuseum.org ID
- 153366
-
- Brand: Airline or Air-Line
Click on the schematic thumbnail to request the schematic as a free document.
- Number of Tubes
- 4
- Number of Transistors
- 1
- Semiconductors
- 2N238
- Main principle
- Superhet with RF-stage; ZF/IF 265 kHz; 2 AF stage(s)
- Tuned circuits
- 7 AM circuit(s)
- Wave bands
- Broadcast only (MW).
- Power type and voltage
- Storage Battery for all (e.g. for car radios and amateur radios) / 12 Volt
- Loudspeaker
- Permanent Magnet Dynamic (PDyn) Loudspeaker (moving coil) - elliptical
- Material
- Metal case
- from Radiomuseum.org
- Model: Riverside FJB-6687 - Montgomery Ward & Co. Wards,
- Shape
- Chassis only or for «building in»
- Notes
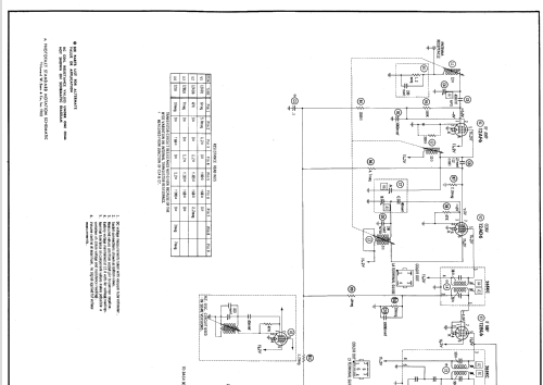
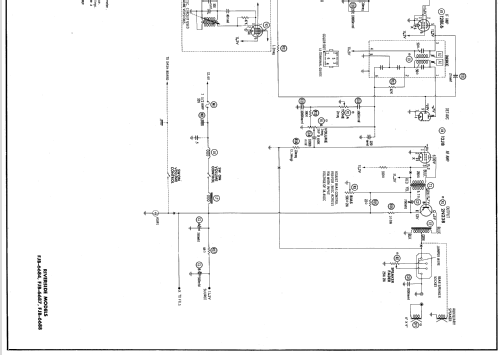
- The Montgomery Model Riverside FJB-6687 is a Battery operated 4 Tube AM Automobile Receiver with Transistorized Output for 1959 Ford Automobiles.
- Literature/Schematics (1)
- Photofact Folder, Howard W. SAMS (Date 1-60, Set 469, Folder 16)
- Author
- Model page created by Egon Penker. See "Data change" for further contributors.
- Other Models
-
Here you find 2292 models, 1460 with images and 1788 with schematics for wireless sets etc. In French: TSF for Télégraphie sans fil.
All listed radios etc. from Montgomery Ward & Co. (Wards, Airline); Chicago, IL