ML52B2 Ch= HL-305
Motorola Canada Ltd., Toronto
- Land
- Kanada
- Hersteller / Marke
- Motorola Canada Ltd., Toronto
- Jahr
- 1952 ?
- Kategorie
- Rundfunkempfänger (Radio - oder Tuner nach WW2)
- Radiomuseum.org ID
- 306830
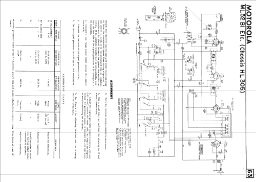
Klicken Sie auf den Schaltplanausschnitt, um diesen kostenlos als Dokument anzufordern.
- Anzahl Röhren
- 4
- Hauptprinzip
- Superhet allgemein; ZF/IF 455 kHz; 2 NF-Stufe(n)
- Anzahl Kreise
- 5 Kreis(e) AM
- Wellenbereiche
- Mittelwelle, keine anderen.
- Betriebsart / Volt
- Netz- / Batteriespeisung / Either AC or DC 117 or Batteries: 2 x 1.5 and 67.5 Volt
- Lautsprecher
- Dynamischer LS, keine Erregerspule (permanentdynamisch) / Ø 3.5 inch = 8.9 cm
- Material
- Plastikgehäuse (nicht Bakelit), Thermoplast
- von Radiomuseum.org
- Modell: ML52B2 Ch= HL-305 - Motorola Canada Ltd., Toronto
- Form
- Reisegerät > 20 cm (netzunabhängig betreibbar)
- Bemerkung
-
The Motorola model ML52B2 is a 4-tube line or battery powered portable radio for standard broadcast reception. Uses two "D" size batteries and one 67.5 V Eveready 457 battery.
- Literatur/Schema (1)
- Radio College of Canada (RCC) (Supplement 30)
- Autor
- Modellseite von Tom Seeger angelegt. Siehe bei "Änderungsvorschlag" für weitere Mitarbeit.
- Weitere Modelle
-
Hier finden Sie 100 Modelle, davon 79 mit Bildern und 91 mit Schaltbildern.
Alle gelisteten Radios usw. von Motorola Canada Ltd., Toronto