ML62X12 Ch= HS-354
Motorola Canada Ltd., Toronto
- Country
- Canada
- Manufacturer / Brand
- Motorola Canada Ltd., Toronto
- Year
- 1952 ?
- Category
- Broadcast Receiver - or past WW2 Tuner
- Radiomuseum.org ID
- 305689
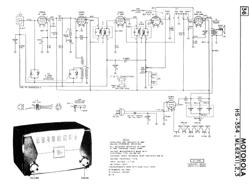
Click on the schematic thumbnail to request the schematic as a free document.
- Number of Tubes
- 6
- Main principle
- Superhet with RF-stage; ZF/IF 455 kHz; 2 AF stage(s)
- Tuned circuits
- 7 AM circuit(s)
- Wave bands
- Broadcast only (MW).
- Power type and voltage
- AC/DC-set / 117 Volt
- Loudspeaker
- Permanent Magnet Dynamic (PDyn) Loudspeaker (moving coil)
- Material
- Plastics (no bakelite or catalin)
- from Radiomuseum.org
- Model: ML62X12 Ch= HS-354 - Motorola Canada Ltd., Toronto
- Shape
- Tablemodel without push buttons, Mantel/Midget/Compact up to 14
- Notes
-
The Motorola model ML62X12 is a 6-tube AC/DC table top radio for standard broadcast reception. Has internal loop antenna on the inside back cover.
- Literature/Schematics (1)
- Radio College of Canada (RCC) (1953 Supplement 29)
- Author
- Model page created by Tom Seeger. See "Data change" for further contributors.
- Other Models
-
Here you find 100 models, 79 with images and 91 with schematics for wireless sets etc. In French: TSF for Télégraphie sans fil.
All listed radios etc. from Motorola Canada Ltd., Toronto