MX-53C3B Ch= HK-400
Motorola Canada Ltd., Toronto
- Country
- Canada
- Manufacturer / Brand
- Motorola Canada Ltd., Toronto
- Year
- 1953 ?
- Category
- Broadcast Receiver - or past WW2 Tuner
- Radiomuseum.org ID
- 308728
Click on the schematic thumbnail to request the schematic as a free document.
- Number of Tubes
- 5
- Main principle
- Superheterodyne (common); ZF/IF 455 kHz; 2 AF stage(s)
- Tuned circuits
- 6 AM circuit(s)
- Wave bands
- Broadcast only (MW).
- Power type and voltage
- Alternating Current supply (AC) / 25 Hz, 117 Volt
- Loudspeaker
- Permanent Magnet Dynamic (PDyn) Loudspeaker (moving coil) / Ø 4 inch = 10.2 cm
- Material
- Plastics (no bakelite or catalin)
- from Radiomuseum.org
- Model: MX-53C3B Ch= HK-400 - Motorola Canada Ltd., Toronto
- Shape
- Tablemodel with Clock ((Alarm-) Clock Radio).
- Notes
-
The Motorola model MX-53C3B is a 5-tube clock radio with AM broadcast reception. Printed circuit board construction. Ferrite rod antenna.
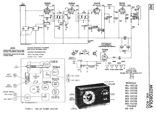
Model Colour AC Input ML-53C1B Walnut 60Hz ML-53C2B Tan 60Hz ML-53C3B Green 60Hz ML-53C4B Red 60Hz MX-53C1B Walnut 25Hz MX-53C2B Tan 25Hz MX-53C3B Green 25Hz MX-53C4B Red 25Hz
- Literature/Schematics (1)
- Radio College of Canada (RCC) (Supplement 32)
- Author
- Model page created by Tom Seeger. See "Data change" for further contributors.
- Other Models
-
Here you find 100 models, 79 with images and 91 with schematics for wireless sets etc. In French: TSF for Télégraphie sans fil.
All listed radios etc. from Motorola Canada Ltd., Toronto