- Country
- United States of America (USA)
- Manufacturer / Brand
- Motorola Inc. (ex Galvin Mfg.Co. Chicago); Schaumburg (IL)
- Year
- 1946 ??
- Category
- Broadcast Receiver - or past WW2 Tuner
- Radiomuseum.org ID
- 48667
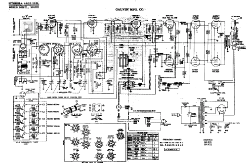
Click on the schematic thumbnail to request the schematic as a free document.
- Number of Tubes
- 10
- Main principle
- Superhet with RF-stage; ZF/IF 455 kHz
- Tuned circuits
- 8 AM circuit(s)
- Wave bands
- Broadcast and Short Wave (SW).
- Details
- Record Player (perh.Changer)
- Power type and voltage
- Alternating Current supply (AC) / 117 Volt
- Loudspeaker
- Electro Magnetic Dynamic LS (moving-coil with field excitation coil) / Ø 10 inch = 25.4 cm
- from Radiomuseum.org
- Model: 101F22 - Motorola Inc. ex Galvin Mfg.Co
- Notes
- Permeability Tuner, Loop Antenna
- External source of data
- Ernst Erb
- Circuit diagram reference
- Rider's Perpetual, Volume 14 = 1944 = before 1943
- Other Models
-
Here you find 4653 models, 2980 with images and 4153 with schematics for wireless sets etc. In French: TSF for Télégraphie sans fil.
All listed radios etc. from Motorola Inc. (ex Galvin Mfg.Co. Chicago); Schaumburg (IL)