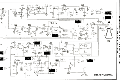
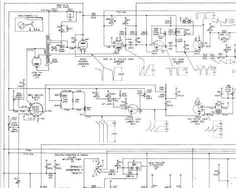
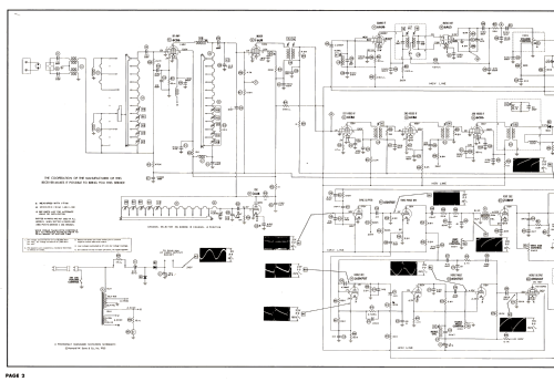
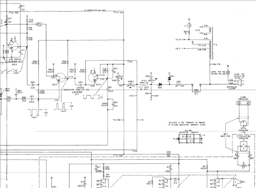
17K16 Ch= TS-395A
Motorola Inc. (ex Galvin Mfg.Co. Chicago); Schaumburg (IL)
- Pays
- Etats-Unis
- Fabricant / Marque
- Motorola Inc. (ex Galvin Mfg.Co. Chicago); Schaumburg (IL)
- Année
- 1953 ?
- Catégorie
- Récepteur de télévision ou moniteur
- Radiomuseum.org ID
- 206809
Cliquez sur la vignette du schéma pour le demander en tant que document gratuit.
- No. de tubes
- 17
- Lampes / Tubes
- 6CB6 6U8 6CB6 6CB6 6CB6 6AH6 6AU6 6AL5 6SN7GT 6W6GT 6SN7GT 12BH7 6SN7GT 6BQ6GT 12AX4GT 1B3GT 17LP4
- Principe général
- Super hétérodyne avec étage HF
- Gammes d'ondes
- VHF/UHF (voir details en note)
- Tension / type courant
- Alimentation Courant Alternatif (CA) / 60 Hz, 117V = 110 -120 Volt
- Haut-parleur
- HP dynamique oval à aimant permanent
- Matière
- Boitier en bois
- De Radiomuseum.org
- Modèle: 17K16 Ch= TS-395A - Motorola Inc. ex Galvin Mfg.Co
- Forme
- Console avec pieds bas < 50% de la hauteur
- Remarques
-
Motorola model 17K16 is a 17” b/w TV with US standard VHF tuner channels 2 thru 13. Equipped with chassis TS-395A, VHF tuner 1U720781 and picture tube 17LP4. Console model, white birch (with detachable legs). Speaker is 6" x 9" elliptical.
- Source
- - - Manufacturers Literature
- Schémathèque (1)
- Photofact Folder, Howard W. SAMS (Set 192, folder 6, dated 1-53)
- Auteur
- Modèle crée par John Kusching. Voir les propositions de modification pour les contributeurs supplémentaires.
- D'autres Modèles
-
Vous pourrez trouver sous ce lien 4653 modèles d'appareils, 2980 avec des images et 4153 avec des schémas.
Tous les appareils de Motorola Inc. (ex Galvin Mfg.Co. Chicago); Schaumburg (IL)